lemon-mirror:
Home >> Honda >> 2005 >> Insight L3-1.0L Hybrid >> Repair and Diagnosis >> Diagrams >> Exploded Views >> Cylinder Block Assembly

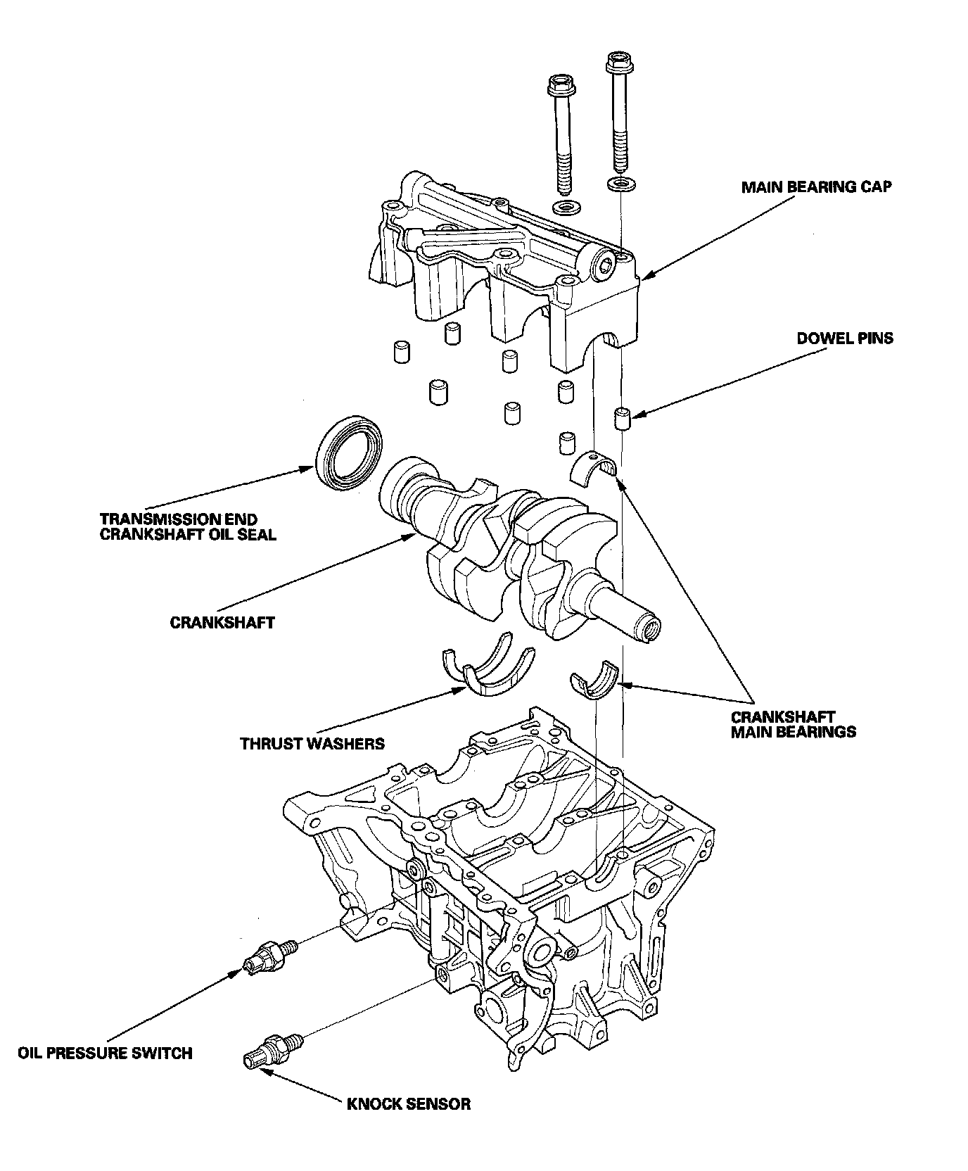
Cylinder Block Assembly