lemon-mirror:
Home >> Honda >> 2005 >> Element 2WD L4-2.4L >> Repair and Diagnosis >> Powertrain Management >> Computers and Control Systems >> Fuel Tank Pressure Sensor >> Service and Repair

Fuel Tank Pressure Sensor: Service and Repair

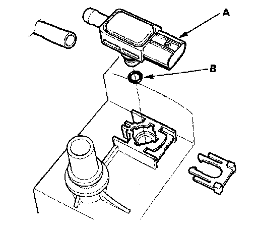
FTP Sensor Replacement

1. Remove the EVAP canister.




2. Remove the FTP sensor (A).
3. Install the sensor in the reverse order of removal with a new O-ring (B).