lemon-mirror:
Home >> Honda >> 2005 >> Element 2WD L4-2.4L >> Repair and Diagnosis >> Maintenance >> Filters >> Fuel Filter >> Service and Repair

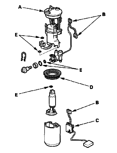
Fuel Filter: Service and Repair

Fuel Filter Replacement

The fuel filter should be replaced whenever the fuel pressure drops below the specified value, after making sure that the fuel pump and the fuel pressure regulator are OK.

1. Remove the fuel tank unit.




2. Remove the fuel filter assembly (A).
3. Check these items before installing the fuel tank unit:

- When connecting the wire harness, make sure the connection is secure and the connectors (B) are firmly locked into place.
- When installing the fuel gauge sending unit (C), make sure the connection is secure and the connectors (B) is firmly locked into place. Be careful not to bend or twist it excessively.

4. Install the parts in the reverse order of removal with a new base gasket (D) and new O-rings (E). When installing the fuel tank unit, align the marks on the unit and the fuel tank.