lemon-mirror:
Home >> Honda >> 2005 >> Element 2WD L4-2.4L >> Repair and Diagnosis >> Diagrams >> Exploded Views >> Cylinder Head Assembly

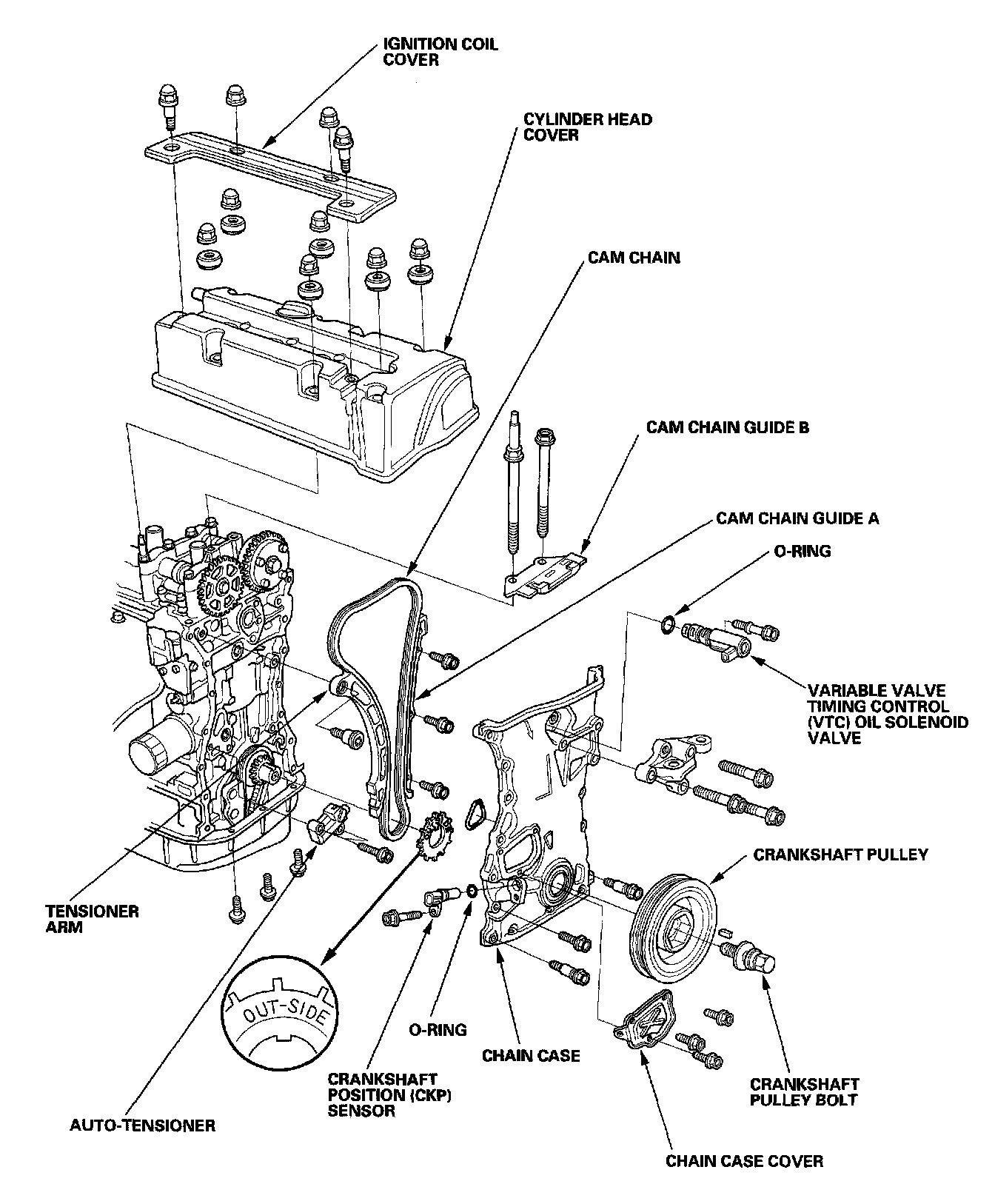
Cylinder Head Assembly

Part 1 Of 3:



Part 2 Of 3:



Part 3 Of 3: