lemon-mirror:
Home >> Honda >> 2005 >> Civic Si L4-2.0L >> Repair and Diagnosis >> Powertrain Management >> Computers and Control Systems >> Fuel Level Sensor >> Service and Repair

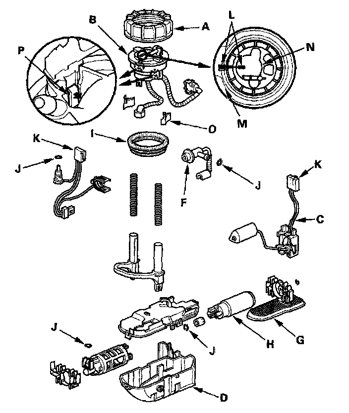
Fuel Level Sensor: Service and Repair

Fuel Pump/Fuel Gauge Sending Unit Replacement

Special Tools Required
Fuel sender wrench 07AAA-S0XA100

1. Relieve the fuel pressure.
2. Remove the fuel fill cap.
3. Remove the seat cushion.




4. Remove the access panel (A) from the floor.
5. Disconnect the fuel pump 5P connector (B).
6. Disconnect the quick-connect fitting (C) from the fuel tank unit.




7. Using the special tool, loosen the fuel tank unit locknut (A).




8. Remove the locknut (A) and the fuel tank unit.
9. Remove the stopper (O). Release the hook (P) and remove the fuel filter (B), the fuel gauge sending unit (C), the case (D), the wire harness (E), and the fuel pressure regulator (F).
10. When connecting the fuel tank unit, make sure the connection is secure and the suction filter (G) is firmly connected to the fuel pump (H).
11. Install the fuel tank unit in the reverse order of removal with a new base gasket (I) and new O-rings (J), then check these items.
- When connecting the wire harness, make sure the connection is secure and the connector (K) is firmly locked into the place.
- When installing the fuel gauge sending unit, make sure the connection is secure and the connector is firmly locked into place. Be careful not to bend or twist the connector excessively.
- When installing the fuel tank unit, align the marks (L) on the fuel tank (M) and the fuel tank unit (N).