lemon-mirror:
Home >> Honda >> 2005 >> CR-V 2WD L4-2.4L >> Repair and Diagnosis >> Powertrain Management >> Computers and Control Systems >> Main Relay (Computer/Fuel System) >> Testing and Inspection

Main Relay (Computer/Fuel System): Testing and Inspection




Power Relay Test

Use this chart to identify the type of relay, then do the test listed for it.

NOTE: For the turn signal/hazard relay input test.










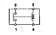
Normally-open type A

Check for continuity between the terminals.

- There should be continuity between the No. 1 and No. 2 terminals when power and ground are connected to the No. 3 and No. 4 terminals.
- There should be no continuity between the No. 1 and No. 2 terminals when power is disconnected.