lemon-mirror:
Home >> Honda >> 2005 >> CR-V 2WD L4-2.4L >> Repair and Diagnosis >> Diagrams >> Exploded Views >> Cylinder Block Assembly

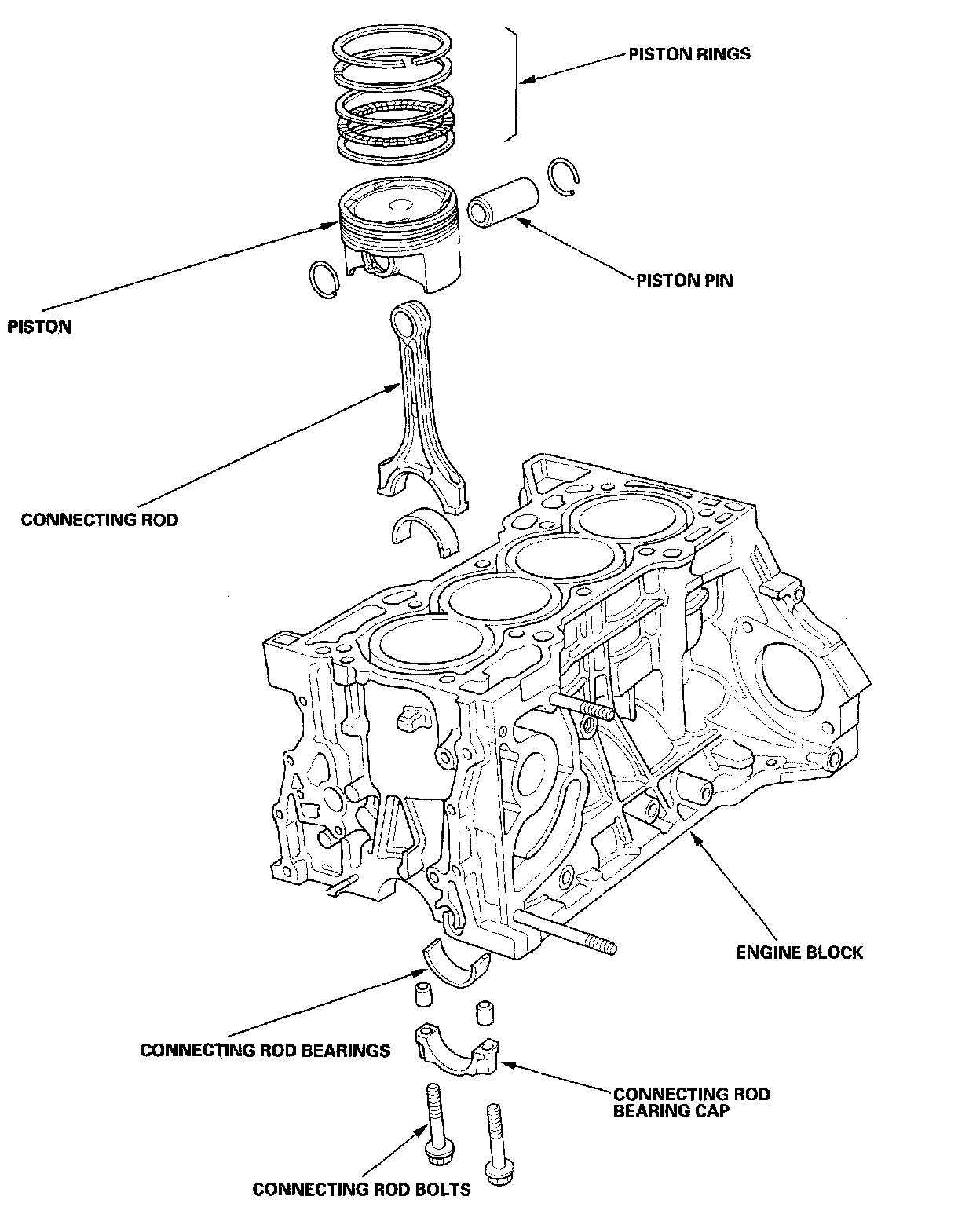
Cylinder Block Assembly

Engine Block Component Illustration Index, Part 1 Of 2:



Engine Block Component Illustration Index, Part 2 Of 2: