lemon-mirror:
Home >> Honda >> 2005 >> Accord V6-3.0L >> Repair and Diagnosis >> Powertrain Management >> Computers and Control Systems >> Fuel Level Sensor >> Service and Repair

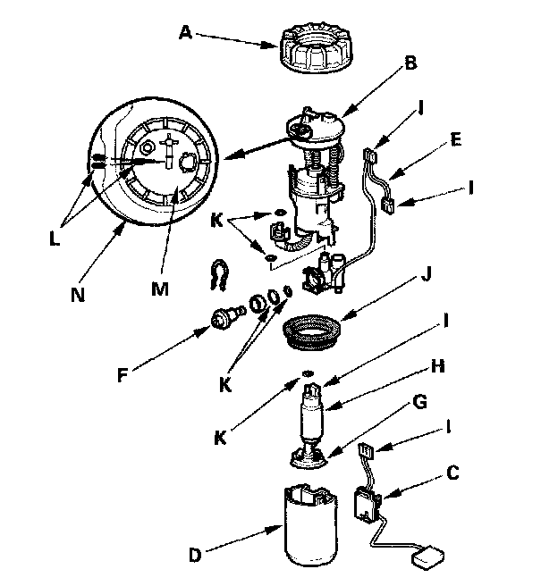
Fuel Level Sensor: Service and Repair

Fuel Pump/Fuel Gauge Sending Unit Replacement

Special Tools Required
Fuel sender wrench 07AAA-S0XA100

1. Relieve the fuel pressure.
2. Remove the fuel fill cap.
3. Remove the trunk floor.




4. Remove the access pane] (A) from the floor.
5. Disconnect the fuel pump 5P connector (B).
6. Disconnect the quick-connect fitting (C) from the fuel tank unit.




7. Using the special tool, loosen the fuel tank unit locknut (A).




8. Remove the locknut (A) and the fuel tank unit.
9. Remove the fuel filter (B), the fuel gauge sending unit (C), the case (D), the wire harness (E), and the fuel pressure regulator (F).
10. Check these items before installing the fuel tank unit:

- Make sure the connection is secure and the suction filter (G) is firmly connected to the fuel pump (H).
- When connecting the wire harness, make sure the connection is secure and the connectors (I) are firmly locked into place.
- When installing the fuel gauge sending unit, make sure the connection is secure and the connector is firmly locked into place. Be careful not to bend or twist it excessively.

11. Install the parts in the reverse order of removal with a new base gasket (J), new locknut, and new O-rings (K). When installing the fuel tank unit, align the marks (L) on the unit (M) and the fuel tank (N).