lemon-mirror:
Home >> Honda >> 2005 >> Accord V6-3.0L >> Repair and Diagnosis >> Diagrams >> Exploded Views >> Cylinder Block Assembly

Cylinder Block Assembly

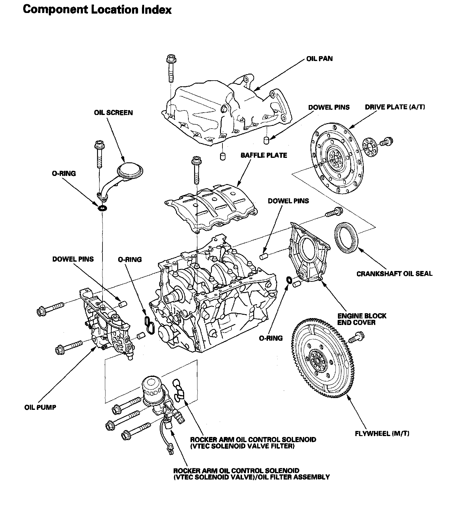
Engine Block Component Location Index:



Engine Block Component Location Index:



Engine Block Component Location Index: