lemon-mirror:
Home >> Honda >> 2004 >> S2000 L4-2.2L >> Repair and Diagnosis >> Diagrams >> Exploded Views >> Cylinder Block Assembly

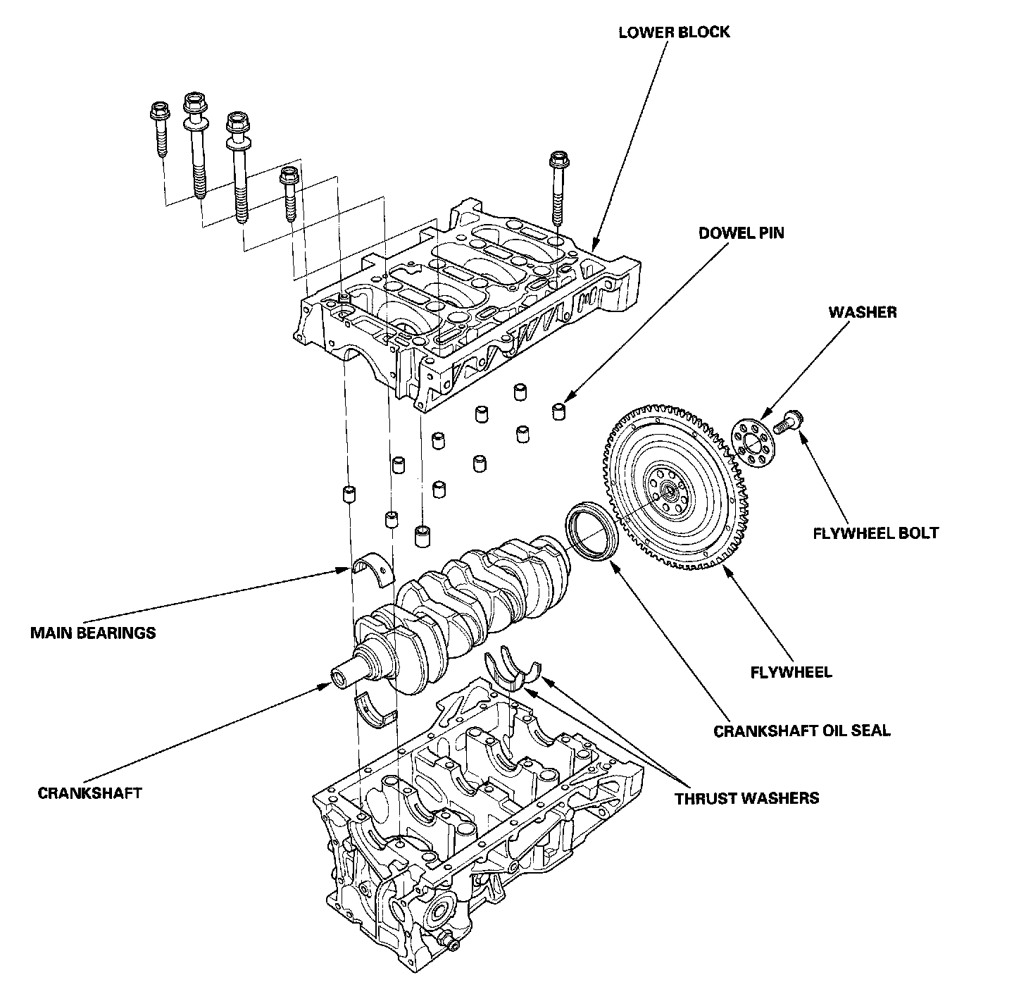
Cylinder Block Assembly

Component Location Index





Part 1 of 2





Part 2 of 2