lemon-mirror:
Home >> Honda >> 2004 >> S2000 L4-2.2L >> Repair and Diagnosis >> Diagrams >> Exploded Views >> Cooling System >> System Diagram

System Diagram

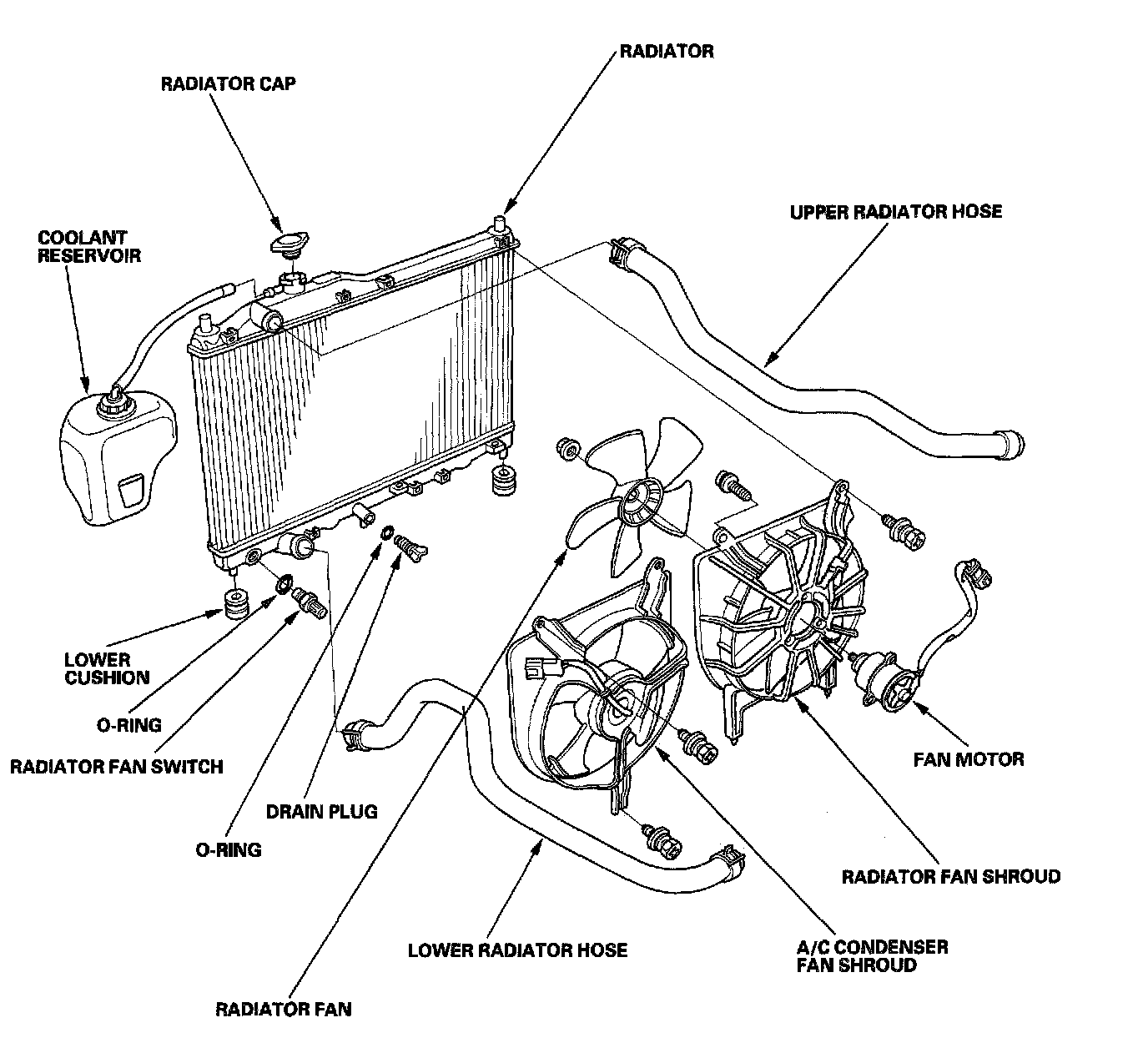
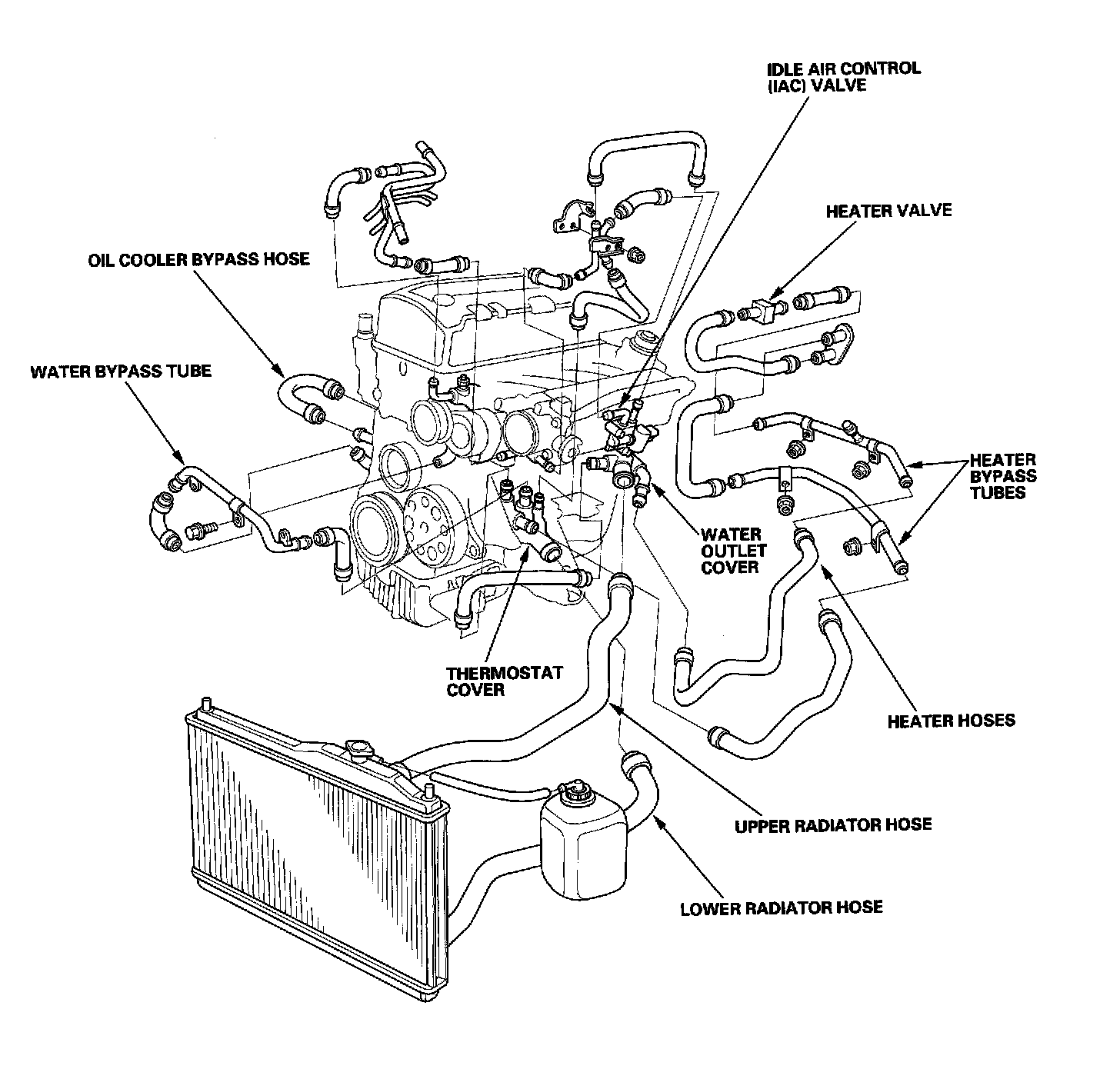
Component Location Index





Part 1 of 3





Part 2 of 3





Part 3 of 3