lemon-mirror:
Home >> Honda >> 2004 >> S2000 L4-2.2L >> Repair and Diagnosis >> Diagrams >> Exploded Views >> Cooling System >> Radiator

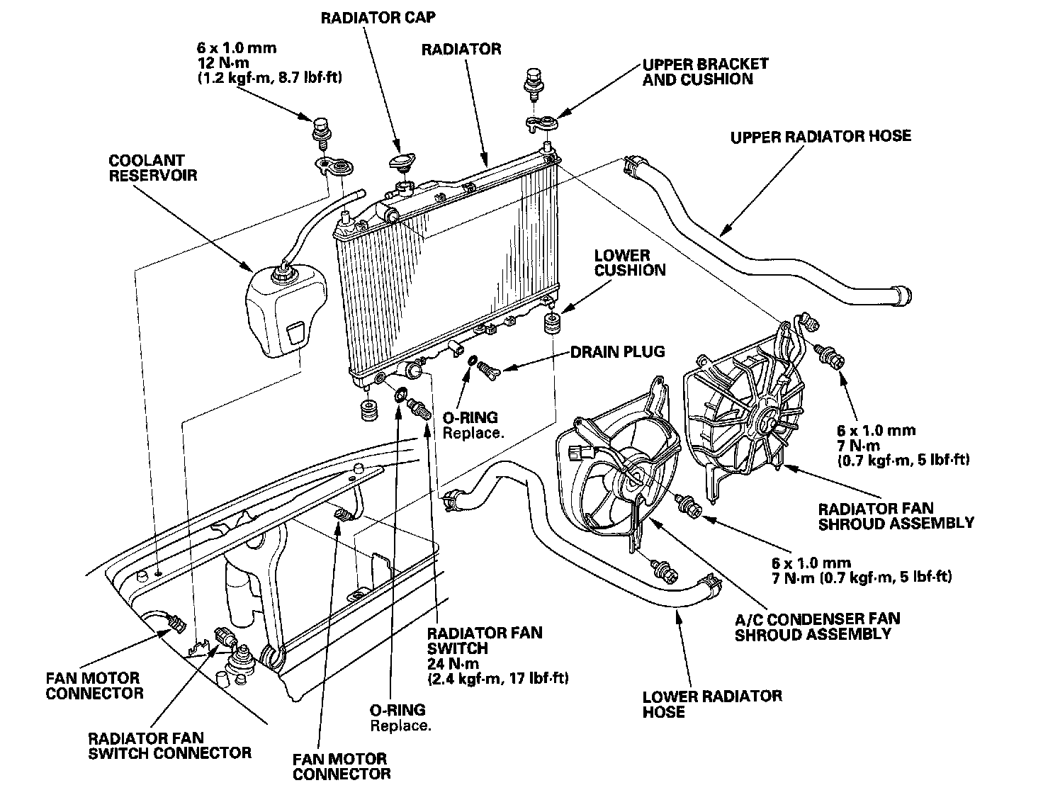
Radiator