lemon-mirror:
Home >> Honda >> 2004 >> Insight L3-1.0L Hybrid >> Repair and Diagnosis >> Powertrain Management >> Computers and Control Systems >> Cylinder Identification Sensor >> Service and Repair

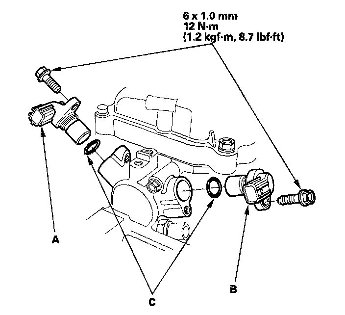
Cylinder Identification Sensor: Service and Repair

TDC1/TDC2 Sensors Replacement





1. Disconnect connectors from the TDC1 sensor and TDC2 sensor. Remove the TDC1 sensor (A) and the TDC2 sensor (B).
2. Install the TDC1 sensor and the TDC2 sensor using new O-rings (C).