lemon-mirror:
Home >> Honda >> 2004 >> Element 2WD L4-2.4L >> Repair and Diagnosis >> Specifications >> Mechanical Specifications >> Automatic Transmission/Transaxle

Automatic Transmission/Transaxle





Remove the drive plate (A) and washer (B) from the engine crankshaft.
Install the drive plate and washer on the engine crankshaft, and tighten the eight bolts in a crisscross pattern in two or more steps.

Transmission End Cover





End Cover Removal

Transmission Housing





Housing and Shaft Assembly Removal





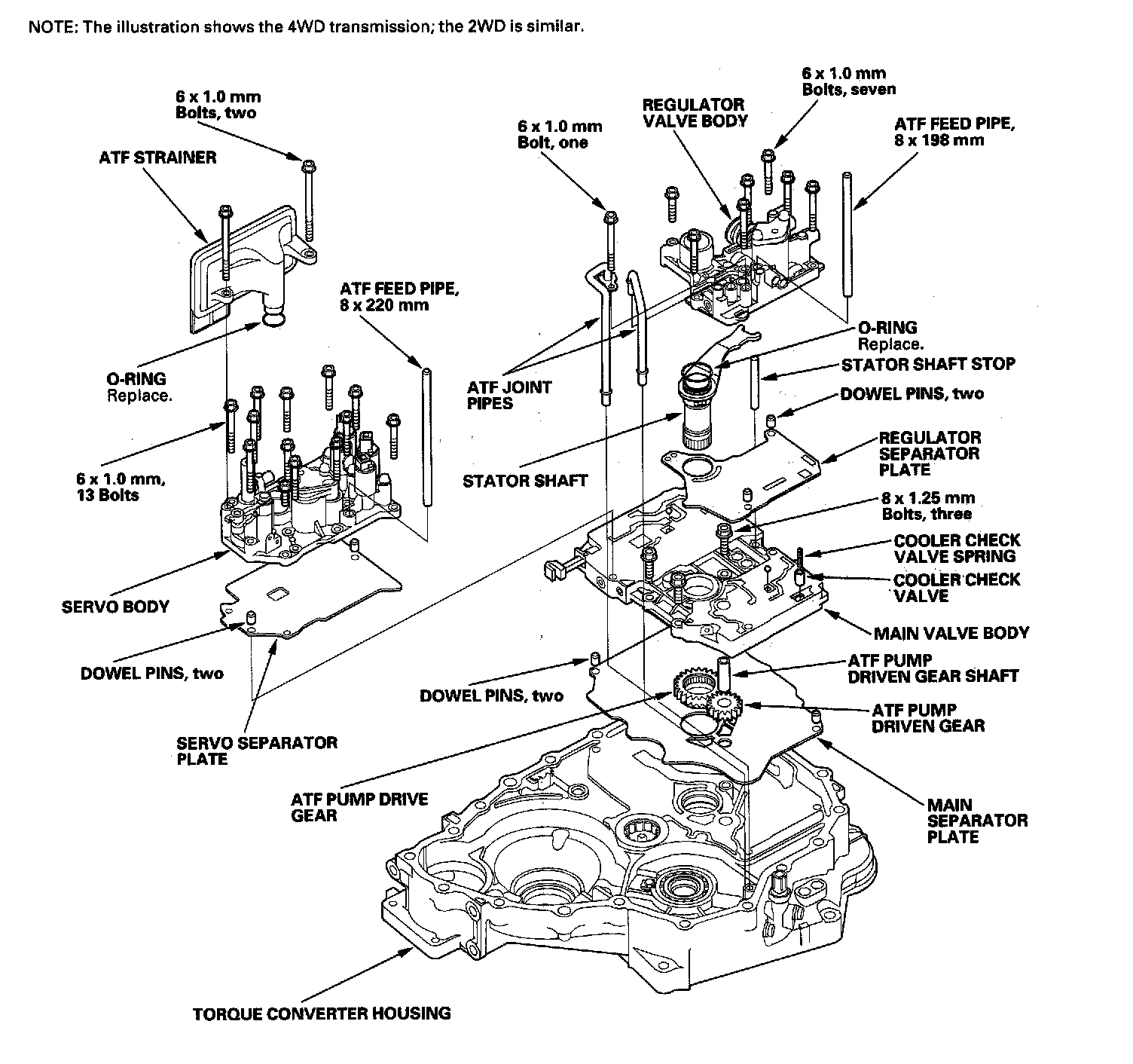
Valve Body and ATF Strainer Removal





Mainshaft Disassembly, Inspection, and Reassembly





Measure the distance (A) between the park pawl shaft (B) and the park lever roller pin (C).





If the measurement is out of standard, select and install the appropriate park lever stop (A) from the table





Tighten the bolts on the transmission range switch while you continue to hold the N position. Do not move the transmission range switch when tightening the bolts. Remove the feeler gauge.





Connect the transmission range switch connector (A) securely, then install the harness clamps (B) on the clamp bracket (C).





Install the new gasket (A) on the transmission housing, and install the ATF pipe (B) and ATF joint pipes (C)