lemon-mirror:
Home >> Honda >> 2004 >> Civic Si L4-2.0L >> Repair and Diagnosis >> Diagrams >> Exploded Views >> Radiator

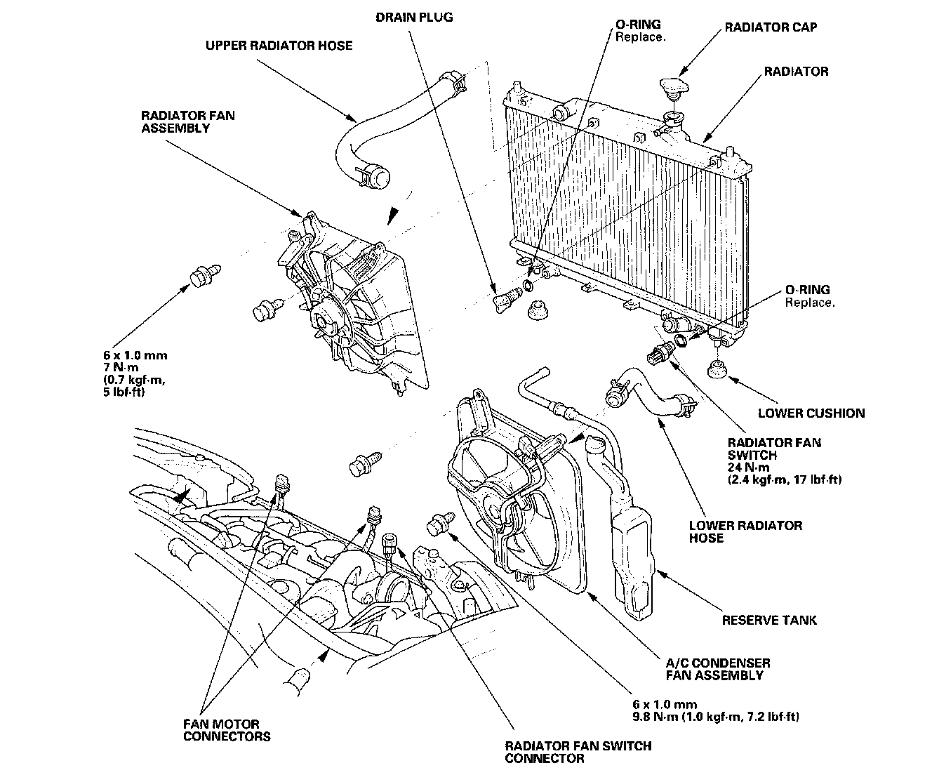
Radiator