lemon-mirror:
Home >> Honda >> 2003 >> Pilot V6-3.5L >> Repair and Diagnosis >> Powertrain Management >> Ignition System >> Ignition Coil >> Service and Repair

Ignition Coil: Service and Repair

Ignition Coil Removal/Installation




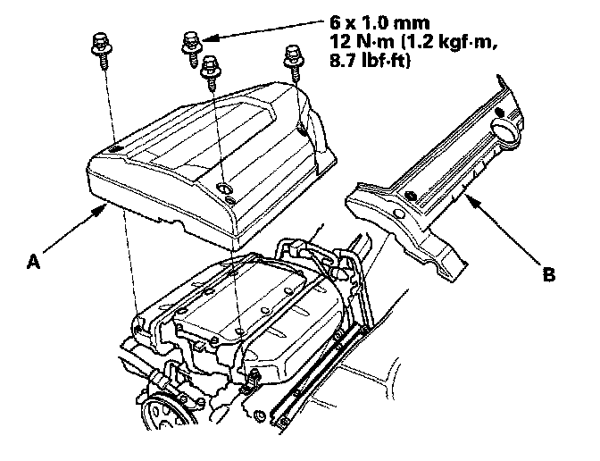
1. Remove the intake manifold cover (A) and ignition coil cover (B).




2. Remove the ignition coils.
3. Install the ignition coils in the reverse order of removal.