lemon-mirror:
Home >> Honda >> 2003 >> Pilot V6-3.5L >> Repair and Diagnosis >> Powertrain Management >> Computers and Control Systems >> Fuel Tank Pressure Sensor >> Service and Repair

Fuel Tank Pressure Sensor: Service and Repair

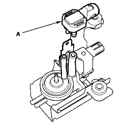
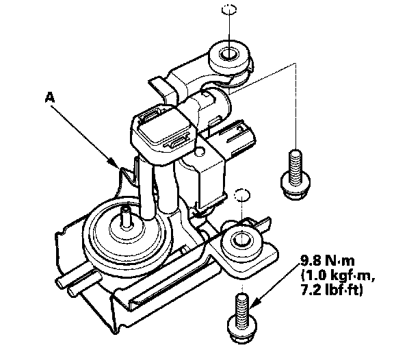
FTP Sensor Replacement

1. Remove the EVAP canister cover.





2. Remove the EVAP bypass solenoid valve/EVAP two way valve assembly.





3. Remove the FTP sensor (A).
4. Install the parts in the reverse order of removal.