lemon-mirror:
Home >> Honda >> 2003 >> Pilot V6-3.5L >> Repair and Diagnosis >> Maintenance >> Timing Belt >> Testing and Inspection

Timing Belt: Testing and Inspection

Inspection





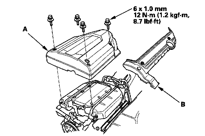
1. Remove the intake manifold cover (A) and ignition coil cover (B).





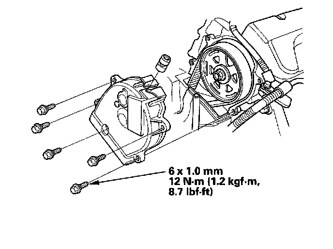
2. Remove the front upper cover.





3. Inspect the timing belt for cracks and oil or coolant soaking. Replace the belt if it is oil or coolant soaked. Remove any oil or solvent that gets on the belt.