lemon-mirror:
Home >> Honda >> 2003 >> Pilot V6-3.5L >> Repair and Diagnosis >> Heating and Air Conditioning >> Control Assembly >> Locations

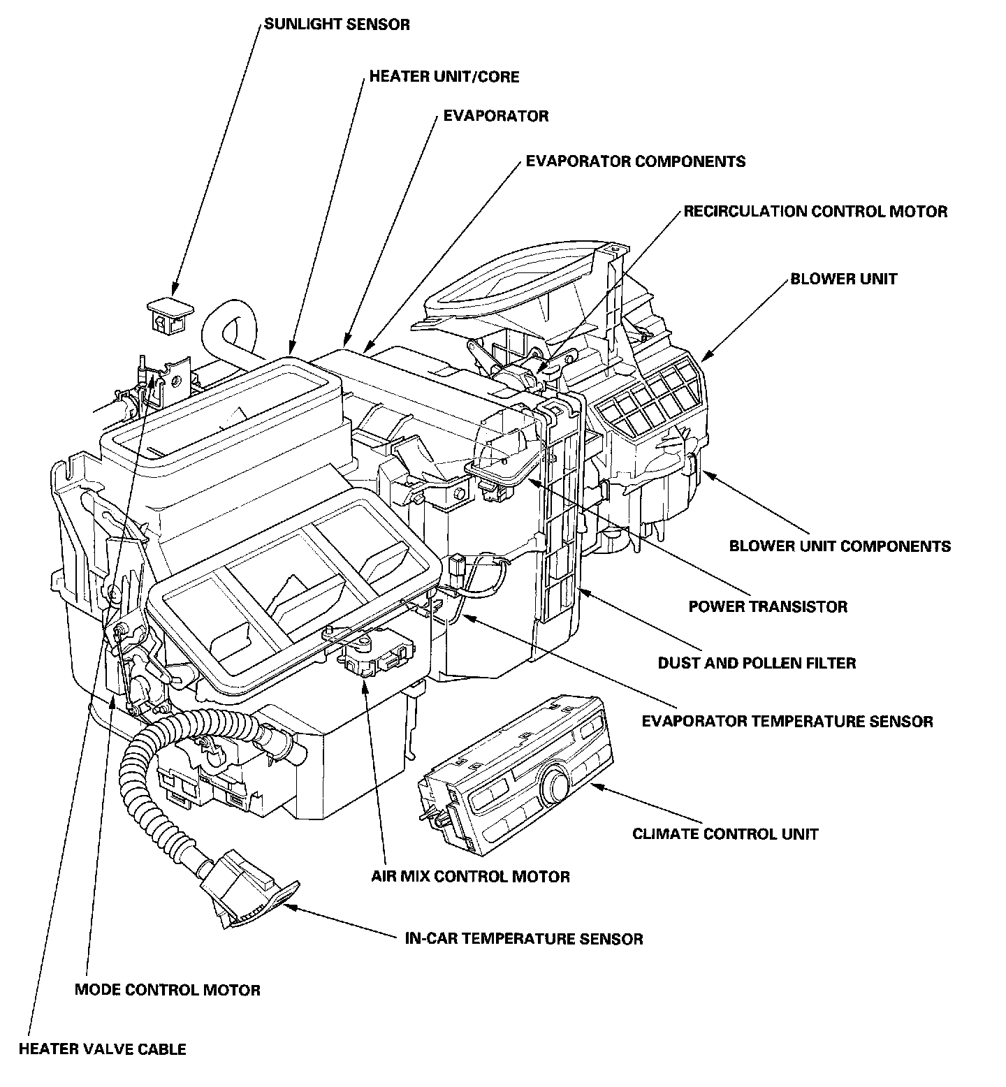
Control Assembly: Locations

Climate Control Component Location Index:



47. Middle of Dash (EX, EX-L):