lemon-mirror:
Home >> Honda >> 2003 >> Odyssey V6-3.5L >> Repair and Diagnosis >> Heating and Air Conditioning >> Compressor HVAC >> Specifications

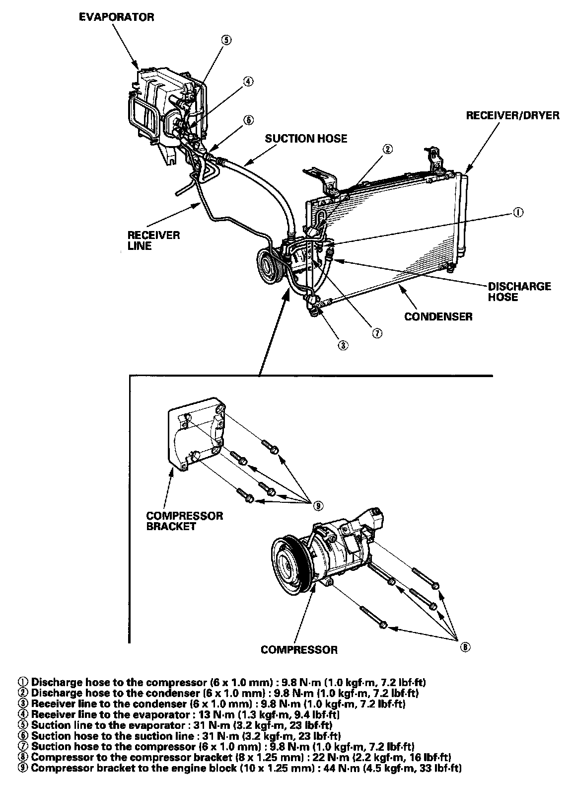
Compressor HVAC: Specifications