lemon-mirror:
Home >> Honda >> 2003 >> Odyssey V6-3.5L >> Repair and Diagnosis >> Diagrams >> Exploded Views >> Axle Shaft Assembly

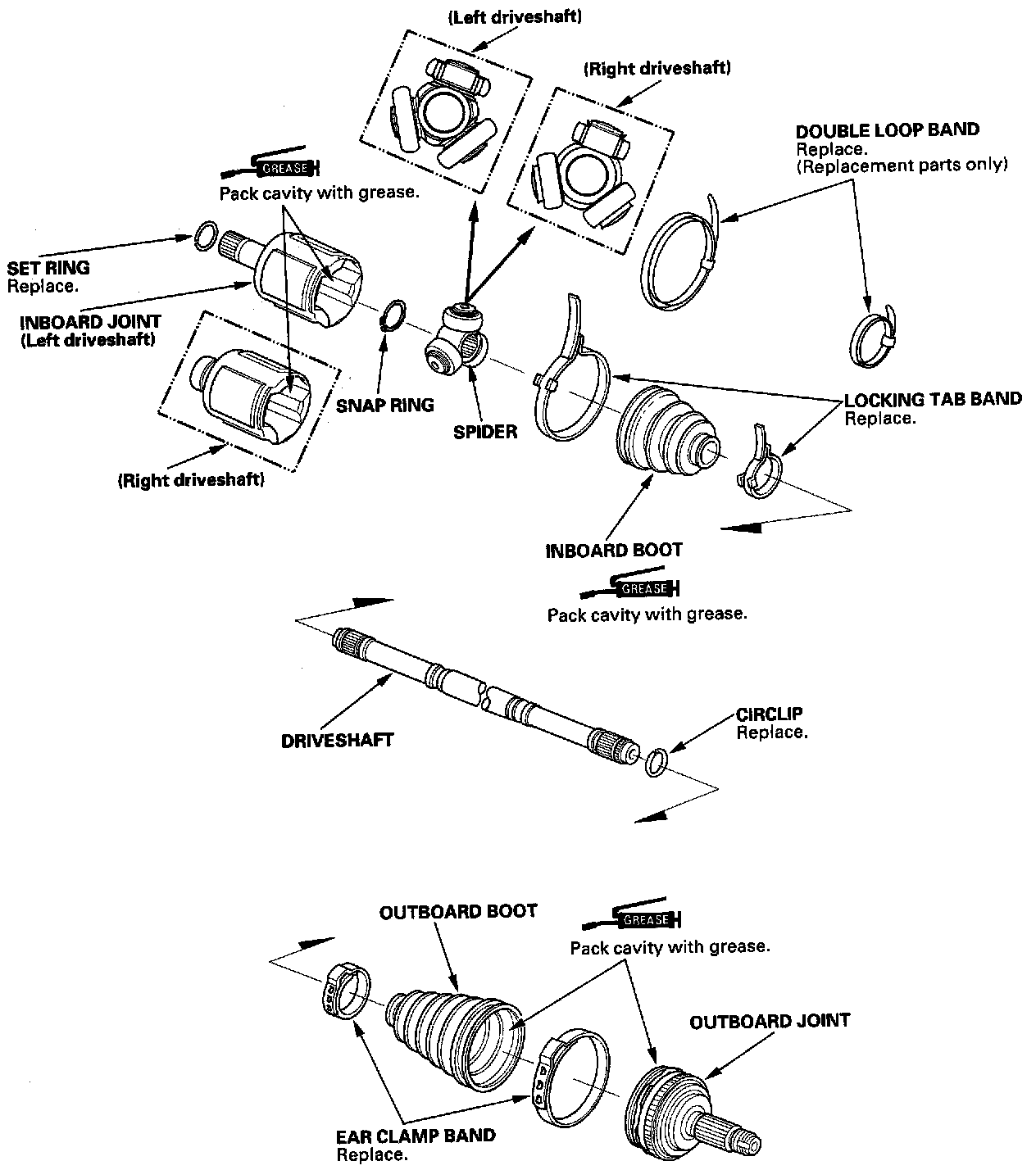
Axle Shaft Assembly