lemon-mirror:
Home >> Honda >> 2003 >> Insight L3-1.0L Hybrid >> Repair and Diagnosis >> Diagrams >> Exploded Views >> Cylinder Block Assembly

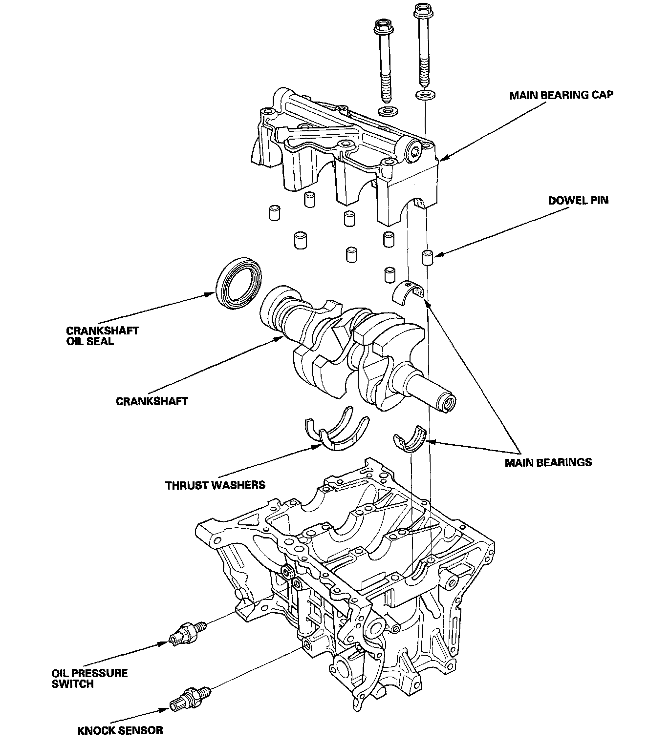
Cylinder Block Assembly

Part 1 Of 2:



Part 2 Of 2: