lemon-mirror:
Home >> Honda >> 2003 >> Element 2WD L4-2.4L >> Repair and Diagnosis >> Transmission and Drivetrain >> Automatic Transmission/Transaxle >> Control Module >> Testing and Inspection >> How to Substitute the PCM

How to Substitute the PCM

How to Substitute the PCM
1. Connect the HDS to the DLC.
2. Turn the ignition switch OFF.
3. Jump the SCS line with the HDS.
4. Remove the glove box stops, then open the glove box.





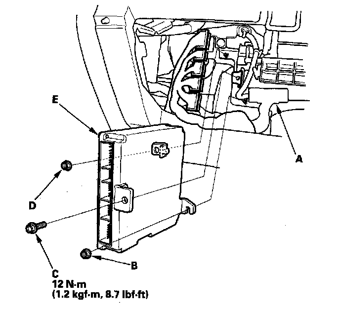
5. Remove the 20P harness connector (A) from its bracket, and disconnect PCM connectors.
6. Disconnect all PCM connectors.
7. Remove the relays from the glove box frame.
8. Loosen the PCM mounting nut (B) on the lower right of the PCM, and remove the mounting bolt (C) and nut (D) on the left of the PCM.
9. Lift the PCM up to clear the mounting nut on the lower right of the PCM, then pull out the PCM (E).
10. Install a known-good PCM.
11. Rewrite the immobilizer code with the PCM replacement procedure in the HDS; this will allow you to start the engine.
12. After completing your test, reinstall the original PCM and rewrite the immobilizer code with the PCM replacement procedure in the HDS again.