lemon-mirror:
Home >> Honda >> 2003 >> Element 2WD L4-2.4L >> Repair and Diagnosis >> Cruise Control >> Cruise Control Servo Cable >> Service and Repair

Cruise Control Servo Cable: Service and Repair

Cruise Control Actuator/Cable Replacement




1. Loosen the locknut (A), then remove the actuator cable (B) from the throttle linkage.




2. Turn the connector to disconnect it from the actuator, then remove the cable from the actuator.




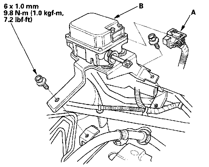
3. Disconnect the 12P connector (A) from the cruise control actuator (B).
4. Remove the two mounting bolts from the mounting bracket.
5. Remove the three mounting bolts attaching the cruise control actuator to the mounting bracket.
6. Install in the reverse order of removal, and adjust the free play at the throttle linkage after connecting the actuator cable.