lemon-mirror:
Home >> Honda >> 2003 >> CR-V 2WD L4-2.4L >> Repair and Diagnosis >> Diagrams >> Exploded Views >> Electronic Brake Control Module

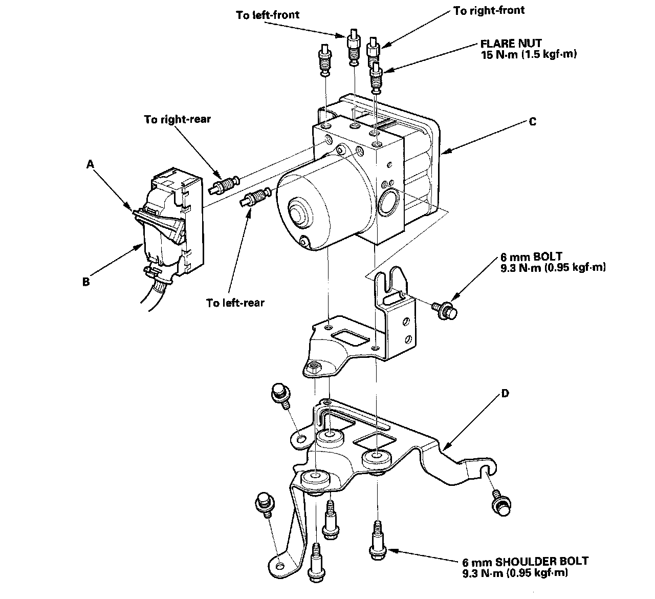
Electronic Brake Control Module