lemon-mirror:
Home >> Honda >> 2003 >> CR-V 2WD L4-2.4L >> Repair and Diagnosis >> Diagrams >> Exploded Views >> Cylinder Block Assembly

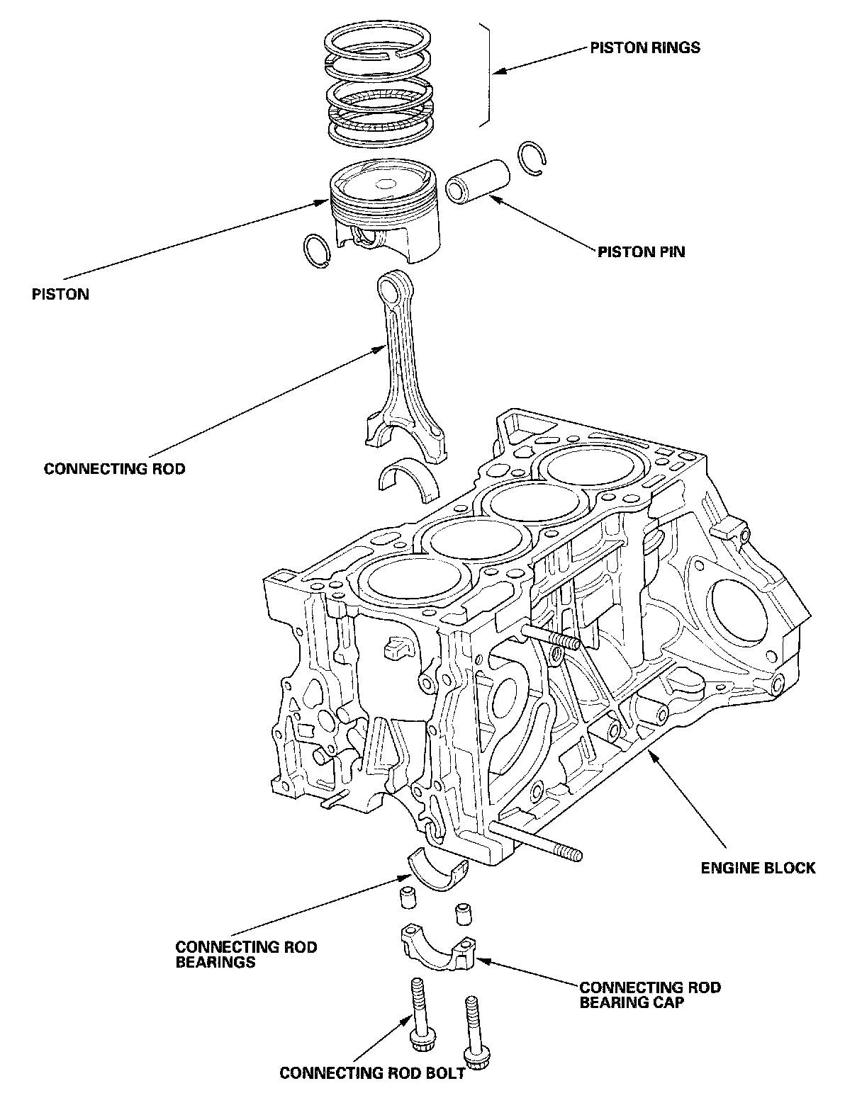
Cylinder Block Assembly

Component Location Index





Part 1 of 2





Part 2 of 2