lemon-mirror:
Home >> Honda >> 2003 >> Accord V6-3.0L >> Repair and Diagnosis >> Specifications >> Mechanical Specifications >> Engine >> Intake Manifold

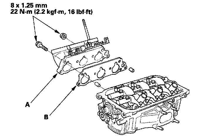
Intake Manifold




Intake Manifold:





Intake Manifold





Install the intake manifold. Tighten the bolts and nuts sequentially in two or three steps.





Install the upper cover. Tighten the bolts and nuts sequentially in two or three steps.


Lower Manifold/Injector Base