lemon-mirror:
Home >> Honda >> 2003 >> Accord V6-3.0L >> Repair and Diagnosis >> Diagrams >> Exploded Views >> Cylinder Block Assembly

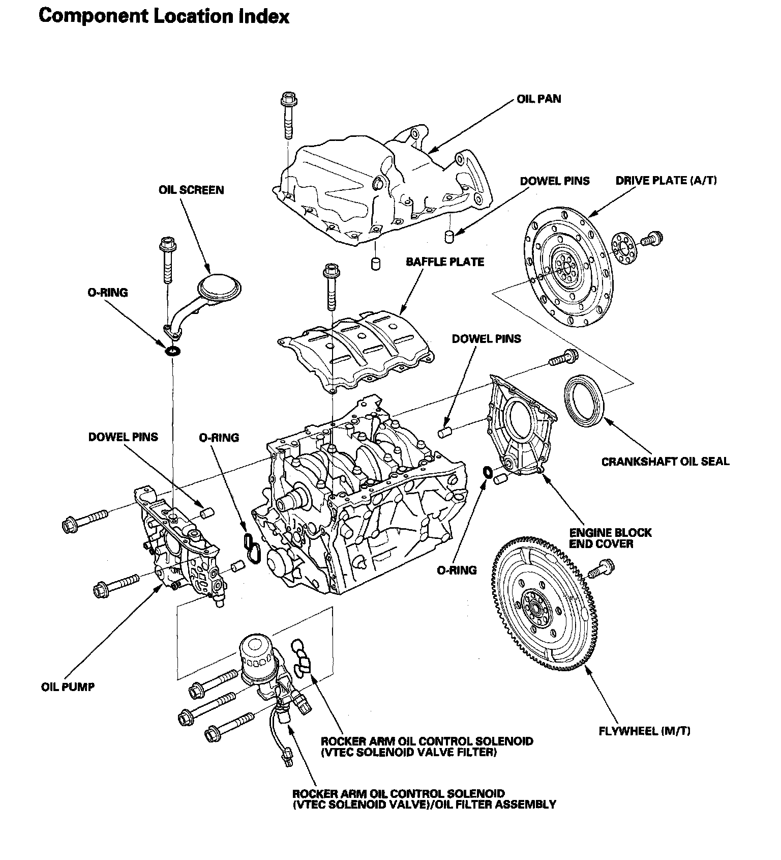
Cylinder Block Assembly

Engine Block Component Location Index:



Engine Block Component Location Index:



Engine Block Component Location Index: