lemon-mirror:
Home >> Honda >> 2003 >> Accord L4-2.4L >> Repair and Diagnosis >> Specifications >> Mechanical Specifications >> Engine >> Timing Components >> System Specifications

System Specifications

Crankshaft Pulley





Tighten the bolt to 49 Nm (5.0 kgf-m, 36 ft. lbs.) with a torque wrench and 19 mm socket (C). Do not use an impact wrench.
Tighten the pulley bolt on additional 90°.





Timing Chain Tensioner





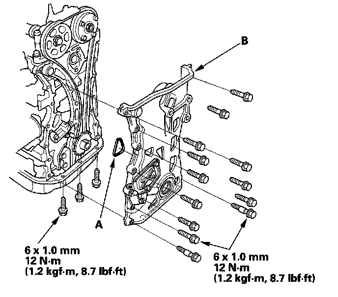
Timing Cover