lemon-mirror:
Home >> Honda >> 2002 >> CR-V EX 4WD L4-2.4L >> Repair and Diagnosis >> Diagrams >> Exploded Views >> Electronic Brake Control Module

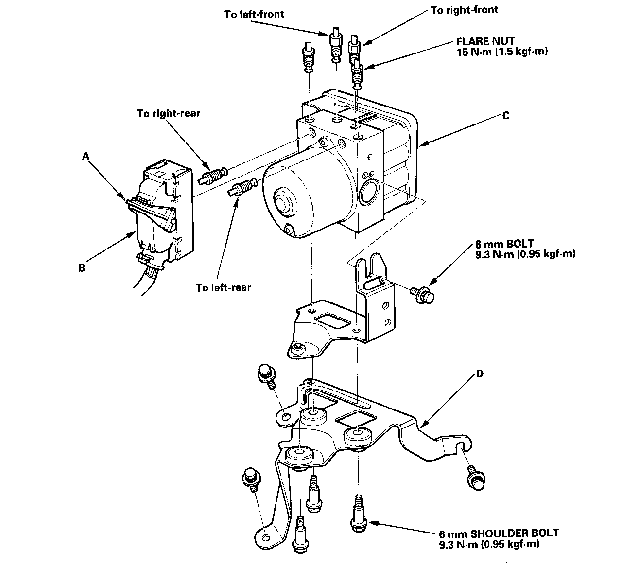
Electronic Brake Control Module