lemon-mirror:
Home >> Honda >> 2000 >> Odyssey EX V6-3.5L >> Repair and Diagnosis >> Specifications >> Mechanical Specifications >> Heating and Air Conditioning >> Compressor HVAC >> System Specifications >> Torque Specifications

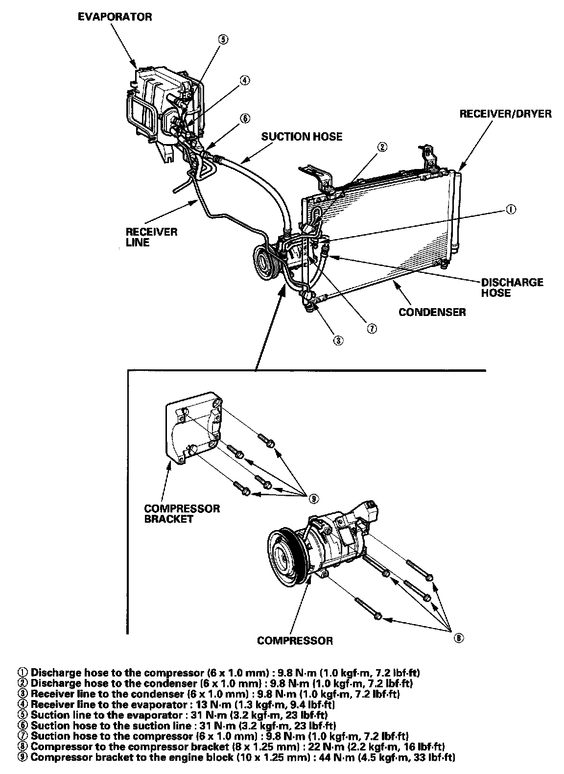
Torque Specifications