lemon-mirror:
Home >> Honda >> 2000 >> Odyssey EX V6-3.5L >> Repair and Diagnosis >> Diagrams >> Exploded Views >> Seats

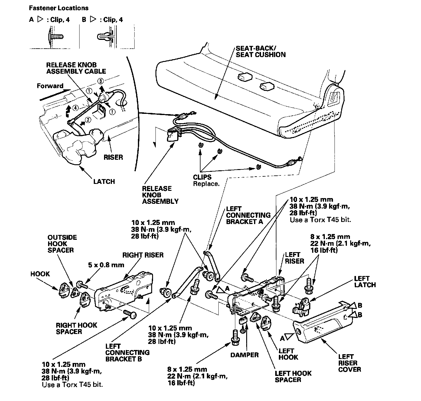
Seats

Bucket Type:



Bucket Type:



Bench Type:



Bench Type: