lemon-mirror:
Home >> Honda >> 1996 >> Del Sol L4-1590cc 1600 >> Repair and Diagnosis >> Specifications >> Mechanical Specifications >> Engine >> Cylinder Block Assembly >> System Specifications >> Torque Specifications

Torque Specifications

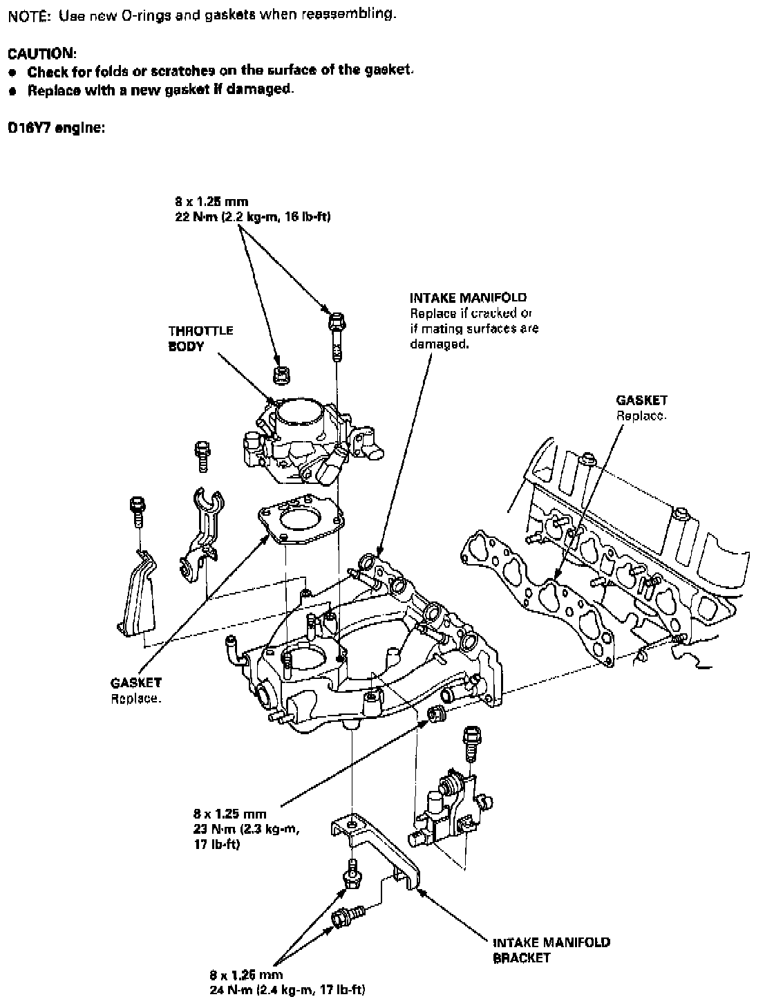
Intake:
















Torque Sequence:






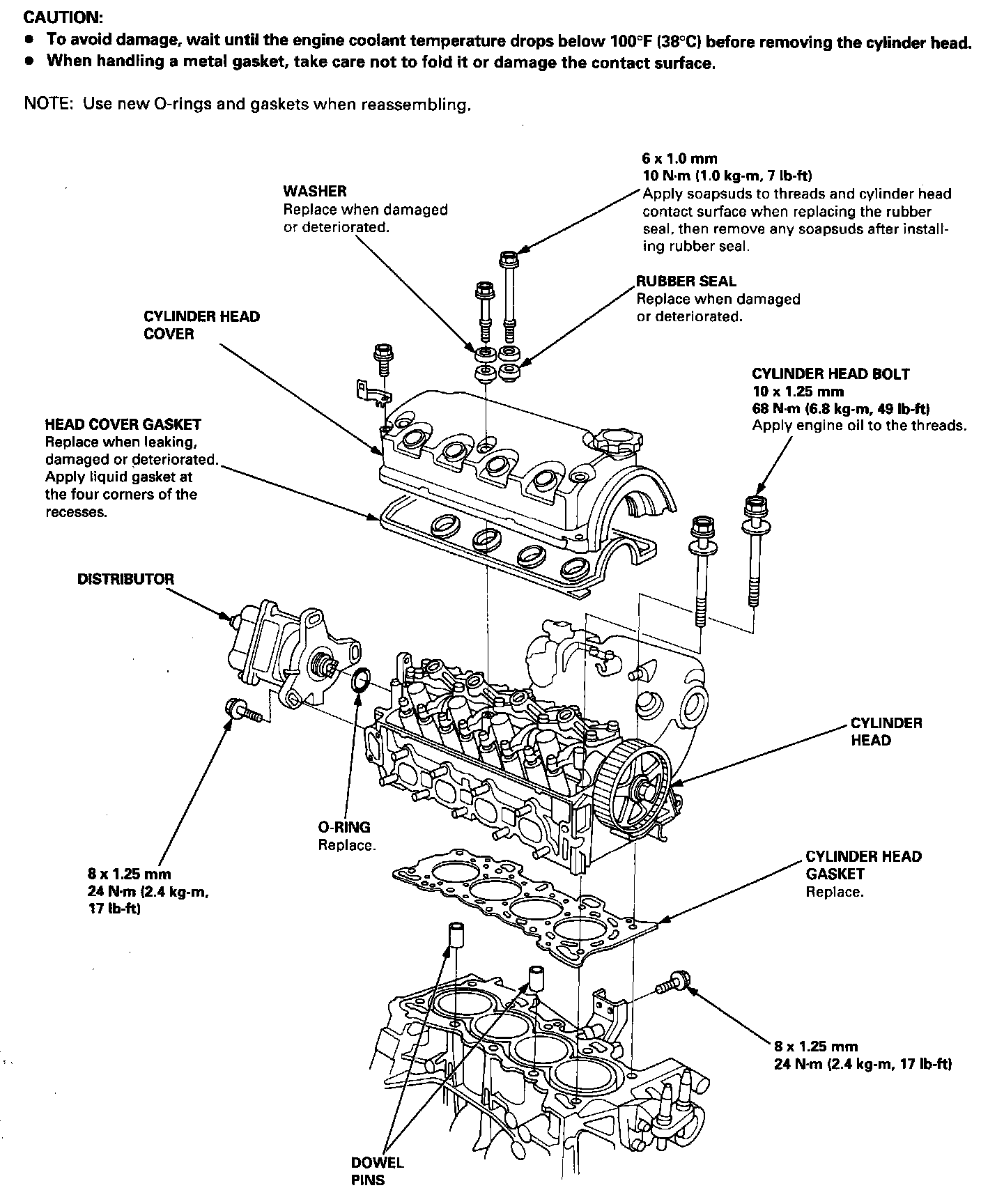
Exhaust Manifold:






Timing Components:






Lower Engine: