lemon-mirror:
Home >> Honda >> 1996 >> Del Sol L4-1590cc 1600 >> Repair and Diagnosis >> Diagrams >> Exploded Views >> Compressor HVAC

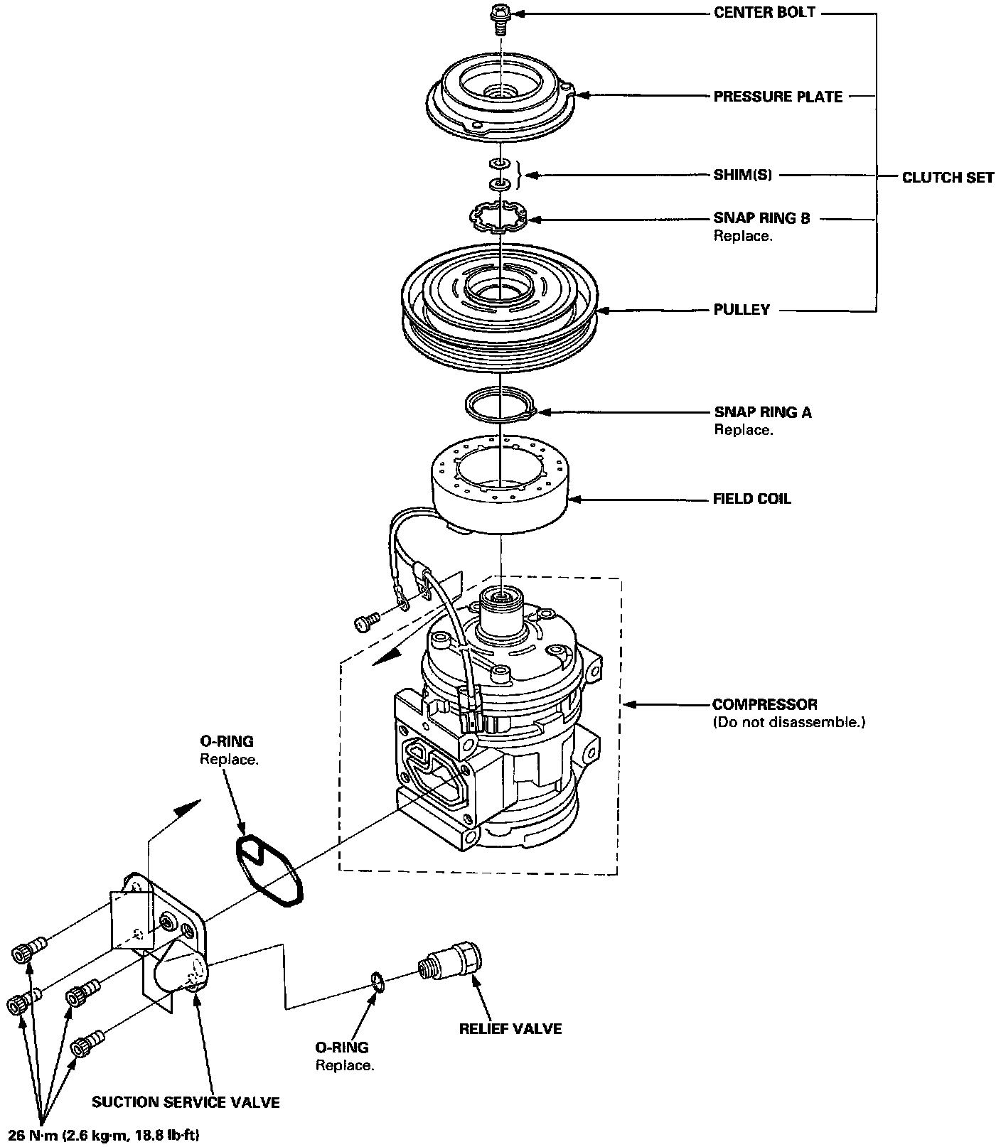
Compressor HVAC

Compressor-Illustrated Index:



Compressor-Illustrated Index: