lemon-mirror:
Home >> Honda >> 1987 >> Prelude L4-1955cc 2000 >> Repair and Diagnosis >> Specifications >> Mechanical Specifications >> Engine >> System Specifications >> Torque Specifications

Torque Specifications

Intake (FUEL INJECTED):






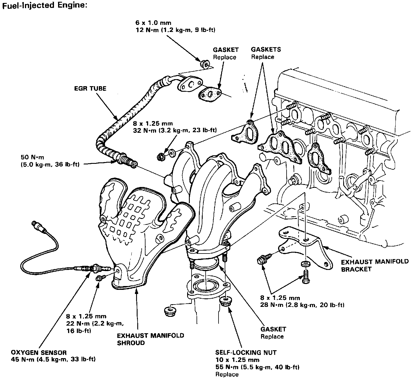
Exhaust Manifold (FUEL INJECTED):






Intake/Exhaust Manifolds (CARB):






Upper Engine (FUEL INJECTED):






Upper Engine (CARB):






Valves, Rocker Arm Assy, Distributor (FUEL INJECTED):






Valves, Rocker Arm Assy, Distributor (CARB):






Rocker Arm Assy - Tighten Each Bolt 2 Turns At A Time In The Sequence Shown:






Cylinder Head Bolts - Tighten In 2 Steps In The Sequence Shown:






Torque cylinder head bolts in 2 steps, following sequence shown in figure:

1st step: torque bolts to 22 ft. lbs.
2nd step: torque bolts to 49 ft. lbs.


Timing Components:






Lower Engine:






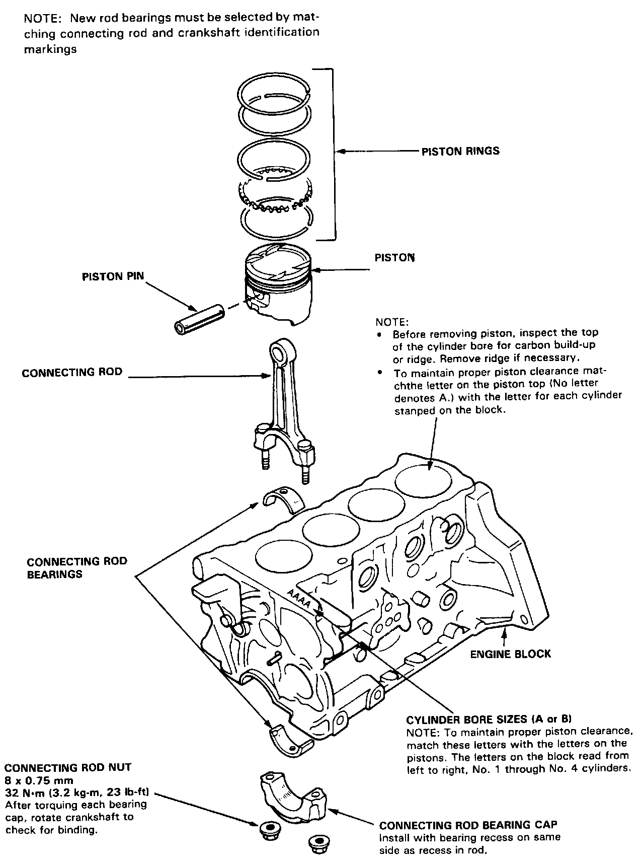
Piston And Connecting Rod:






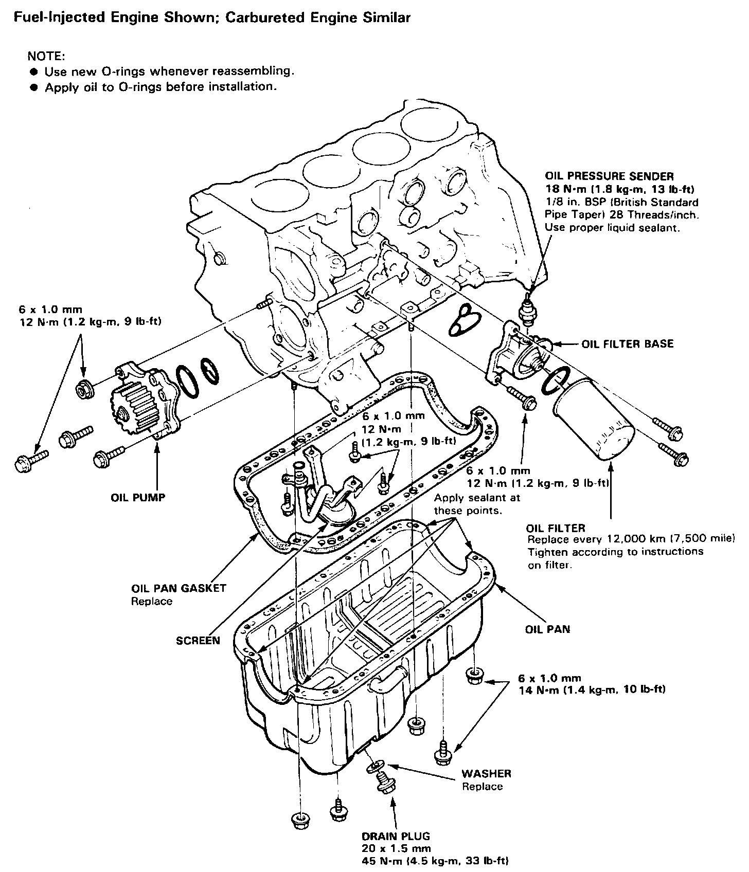
Oil Pump And Pickup, Oil Pan And Drain Plug, Oil Filter Base, O/P Sender:






Oil Pump Components:






Oil Pressure Sender, Relief Valve:






Flywheel (M/T) Torque/Sequence:






Drive Plate (A/T) Torque/Sequence: