lemon-mirror:
Home >> Honda >> 1986 >> Prelude L4-1955cc 2000 >> Repair and Diagnosis >> Specifications >> Mechanical Specifications >> Engine >> System Specifications >> Torque Specifications

Torque Specifications

Intake/Exhaust Manifolds (CARB):






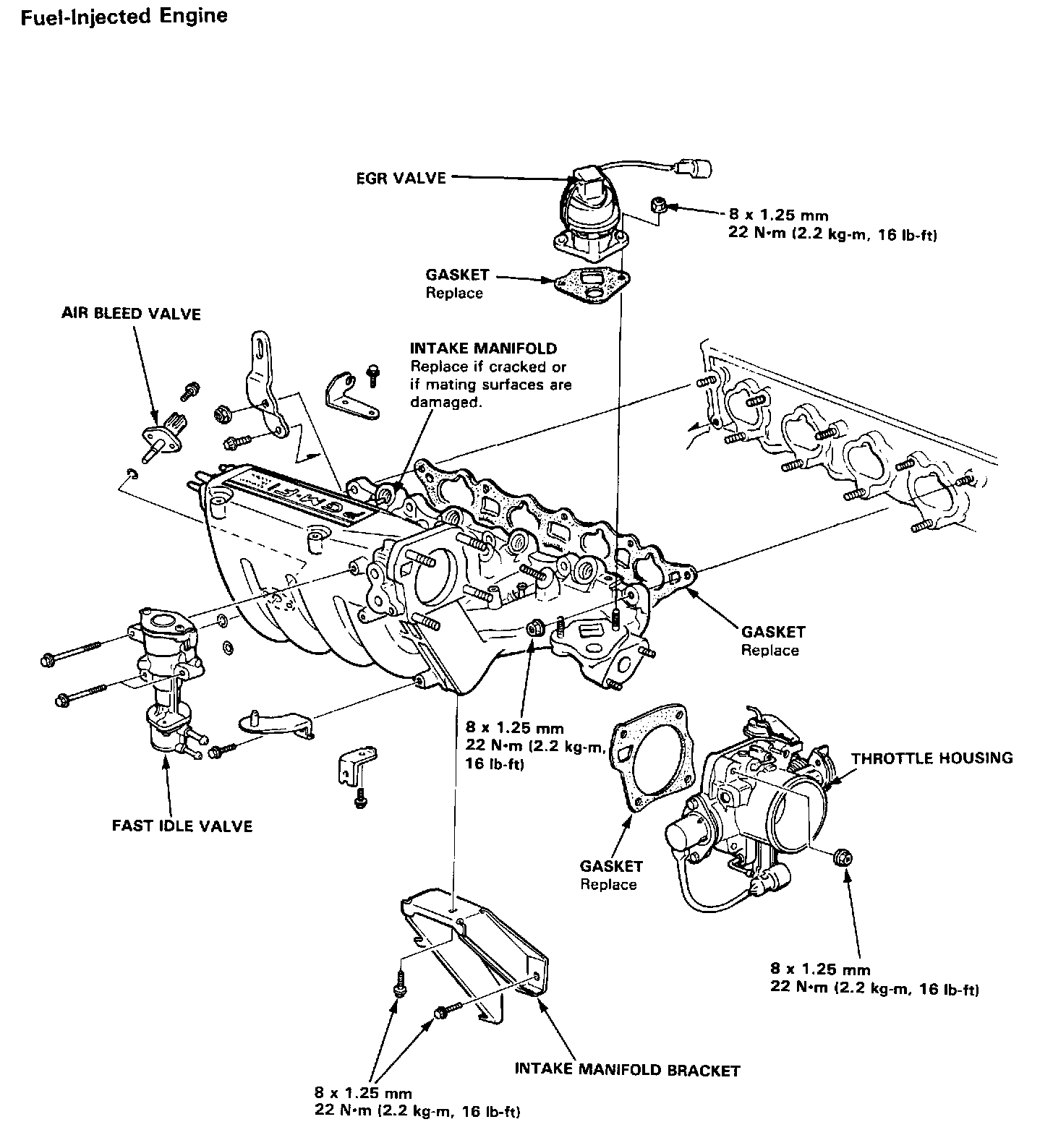
Intake (FUEL INJECTED):






Exhaust Manifold ( FUEL INJECTED):






Upper Engine (FUEL INJECTED):






Upper Engine (CARB):






Valves, Rocker Arm Assy, Distributor(FUEL INJECTED):






Valves, Rocker Arm Assy, Distributor (CARB):






Rocker Assy. Torque/Sequence - Tighten Each Bolt 2 Turns At A Time In The Sequence Shown:






Cylinder Head Bolts - Tighten In 2 Steps In The Sequence Shown:






Torque cylinder head bolts in 2 steps, following sequence shown in figure:

1st step: torque bolts to 22 ft. lbs.
2nd step: torque bolts to 49 ft. lbs.


Timing Components:






Oil Pan, Drain Plug, Pickup Screen, Oil Pump, Oil Filter Base, Oil Pressure Sender:






Main Bearing Caps, Oil Pan, Flywheel/Flex Plate:






Piston And Connecting Rod:






Flywheel (M/T) Torque/Sequence:






Drive Plate (A/T) Torque/Sequence: