lemon-mirror:
Home >> Honda >> 1985 >> Prelude L4-1955cc 2000 >> Repair and Diagnosis >> Specifications >> Mechanical Specifications >> Engine >> System Specifications

System Specifications

Intake/Exhaust Manifolds (CARB):






Intake (SI MODEL ONLY):






Exhaust Manifold (SI MODEL ONLY):






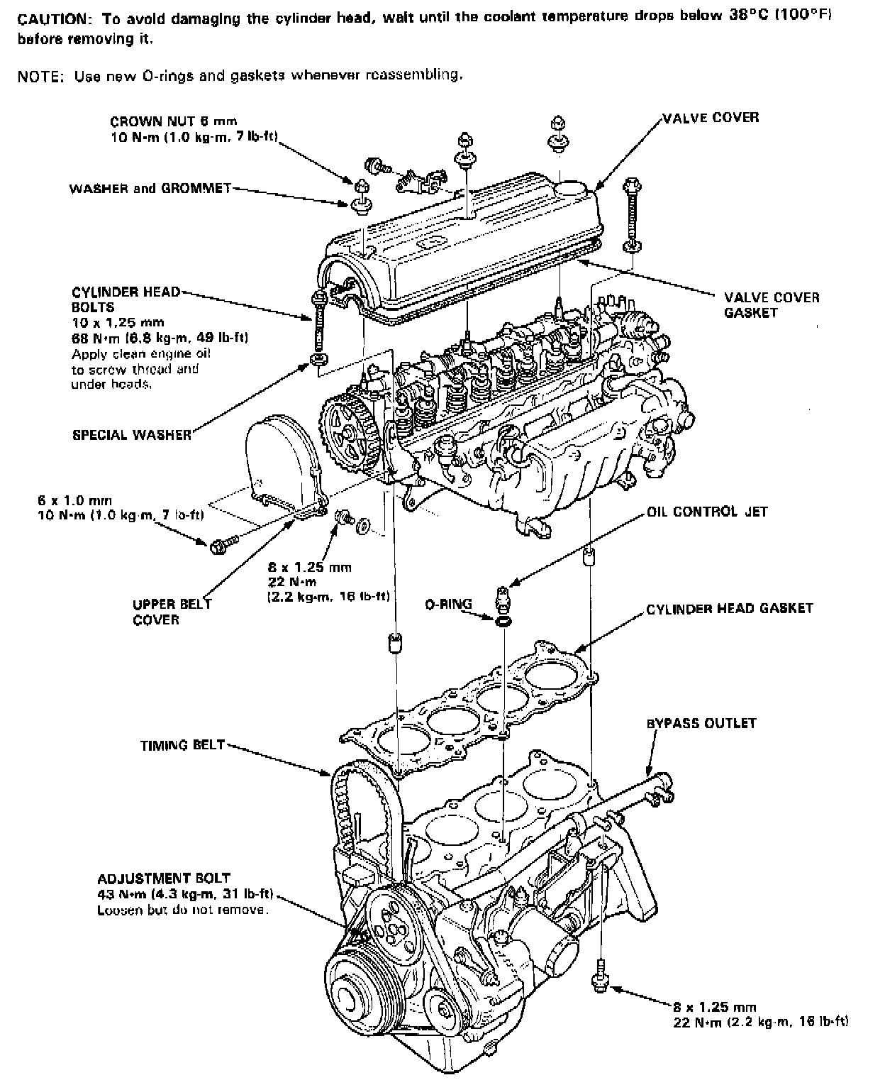
Cylinder Head And Valve Cover (CARB.):






Cylinder Head And Valve Cover (SI MODEL ONLY):






Rockers/Camshaft (Carb.):






Rockers/Camshaft (SI MODEL ONLY):






Valve Guides, Springs And Retainers:







Rocker Arm Assy. Torque And Sequence:






Intake And Exhaust Manifolds (CARB.):






Head Bolt Torque And Sequence - Tighten In 2 Steps:






Torque cylinder head bolts in 2 steps, following sequence shown in figure. First torque bolts to 22 ft. lbs., then torque bolts to 49 ft. lbs.



Timing Components:






Lower Engine (CARB):






Lower Engine (SI MODEL ONLY):






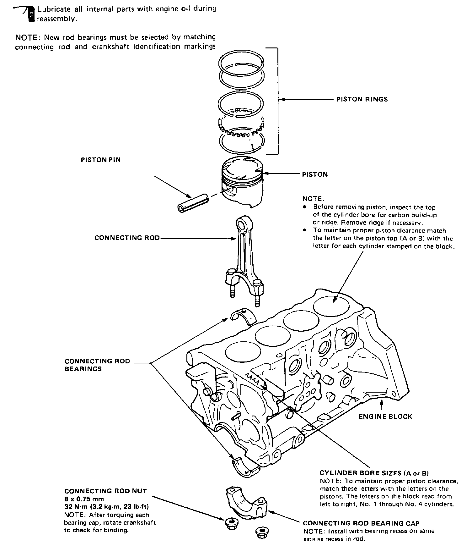
Piston And Connecting Rod:






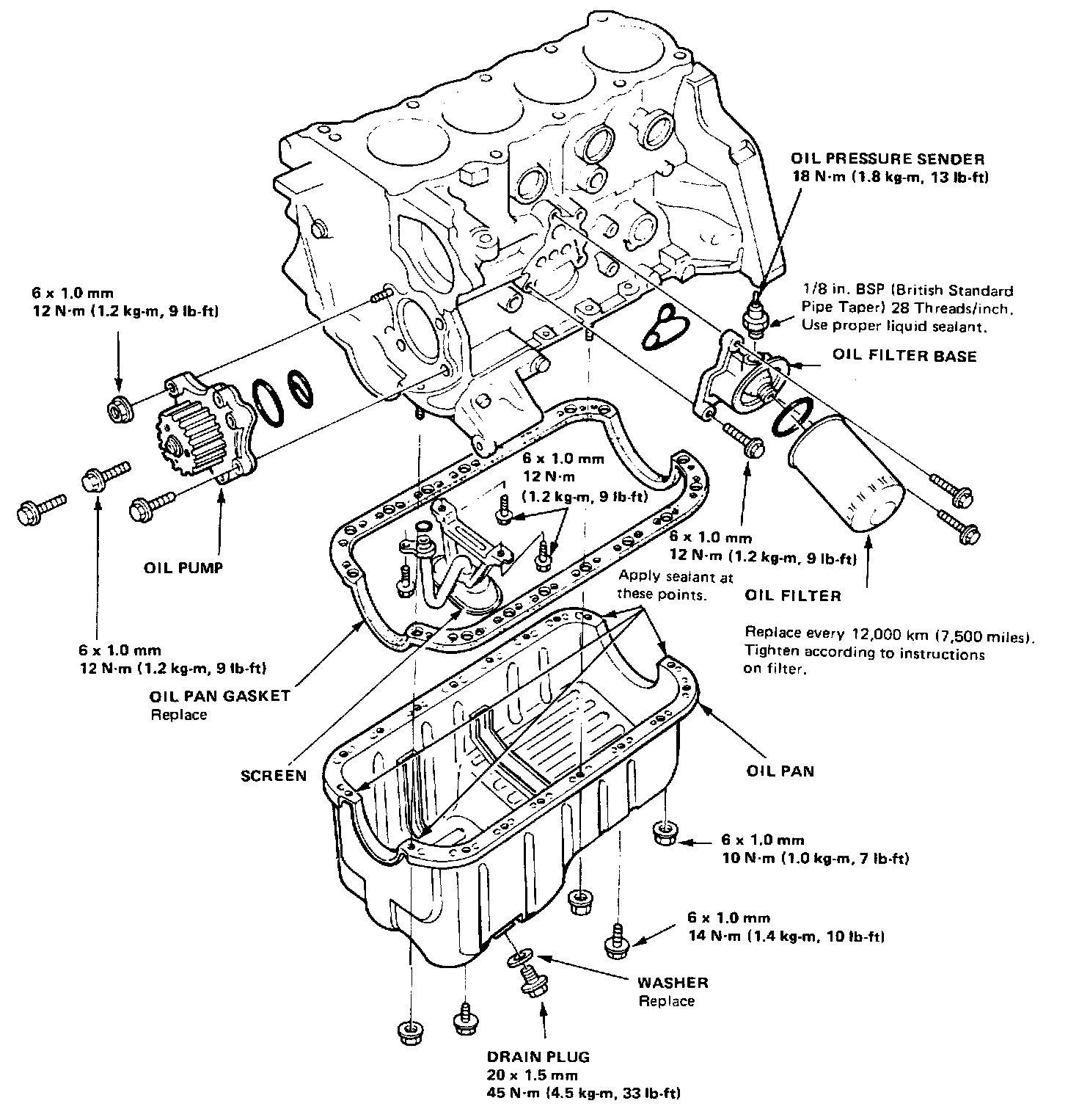
Lubrication (CARB.):






Lubrication (SI MODEL ONLY):






Oil Pressure Sender, Relief Valve: