lemon-mirror:
Home >> Geo >> 1990 >> Tracker L4-1590cc 1.6L >> Repair and Diagnosis >> Maintenance >> Timing Belt >> Service and Repair

Timing Belt: Service and Repair


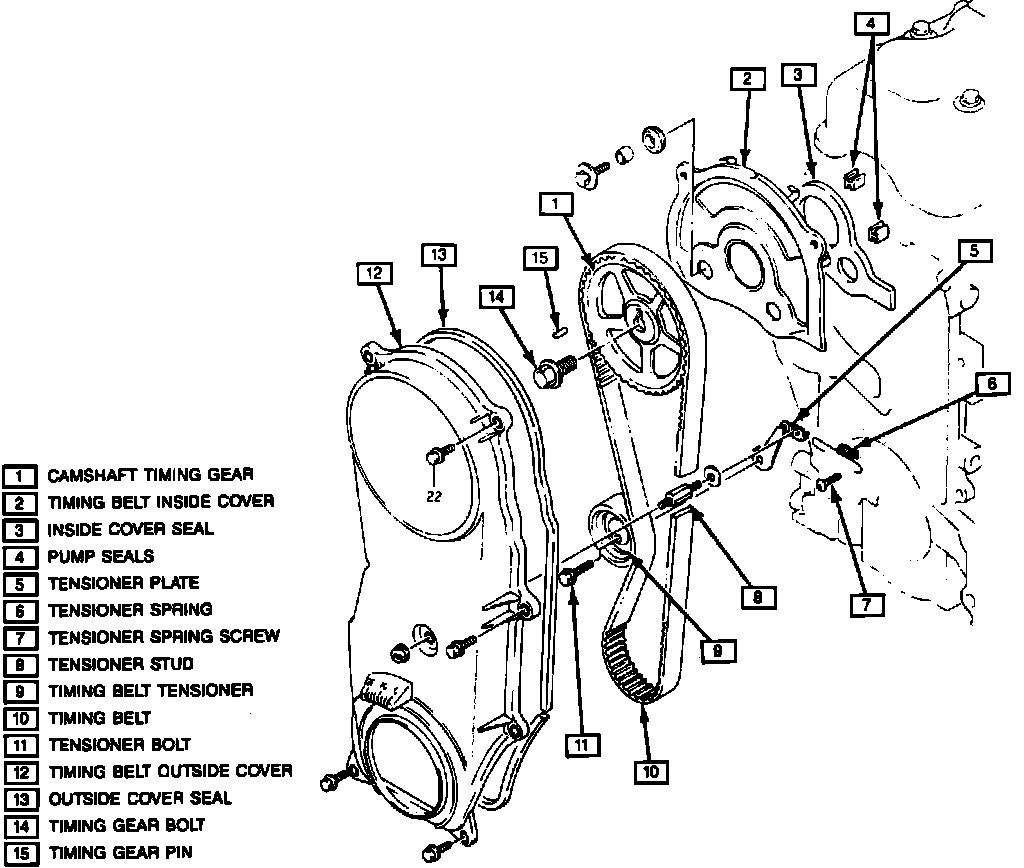
Fig. 17 Timing Belt View:






REMOVAL
1. Disconnect battery ground cable.
2. Remove engine accessory drive belts.
3. Remove radiator cooling fan.
4. Remove water pump pulley.
5. On models with A/C, discharge A/C system and remove compressor flexible suction hose from suction pipe.
6. On all models, remove radiator shroud.
7. Remove crankshaft pulley.
8. Remove timing belt outer cover.
9. Remove timing belt tensioner spring and stud then loosen the tensioner bolt, Fig. 17.
10. Remove timing belt by pushing up tensioner pulley by hand.
11. Remove tensioner and tensioner plate.

Fig. 18 Timing Belt Pulley Marks:






INSTALLATION
1. Insert lock tab of tensioner plate into the lock tab slot of the tensioner.
2. Install tensioner and tensioner plate. Do not tighten bolt by wrench, tighten by hand only.
3. Remove cylinder head cover as outlined under CYLINDER HEAD COVER.
4. Loosen all valve lash adjusting screws and lock nuts.
5. Turn crankshaft pulley clockwise and align timing mark on camshaft pulley with the ``V'' mark on the inner belt cover, Fig. 18.
6. Turn crankshaft clockwise and align punch mark on crankshaft with arrow on oil pump, Fig. 18.
7. Install timing belt so there is no slack on the drive side of the belt.
8. Hook tensioner spring to tensioner plate and screw and tighten tensioner stud only.
9. Turn crankshaft two full rotations clockwise after belt installation.
10. Tighten tensioner stud and nut to specifications.
11. Install timing belt outer cover.
12. Install crankshaft pulley and tighten to specification.
13. Install radiator shroud, water pump pulley, radiator cooling fan and A/C compressor flexible suction hose.
14. Install compressor and water pump drive belts and adjust tension.
15. Adjust valve lash. Refer to Engine/Cylinder Head Assembly/Valve, Intake/Exhaust/Adjustments for procedure.
16. Replace cylinder head cover and connect battery ground cable.
17. On models with A/C, evacuate and charge A/C system.