lemon-mirror:
Home >> Geo >> 1990 >> Metro L3-61 1.0L >> Repair and Diagnosis >> Powertrain Management >> Ignition System >> Distributor >> Distributor Vacuum Control >> Locations

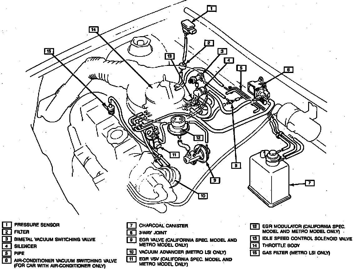
Distributor Vacuum Control: Locations

Engine Emission Control Components:




LH Side Of Engine

Applicable to: Metro