lemon-mirror:
Home >> Geo >> 1989 >> Spectrum L4-91.5 1.5L >> Repair and Diagnosis >> Powertrain Management >> Diagrams >> Electrical Diagrams >> Electronic/Powertrain Control Module (ECM/PCM)

Electronic/Powertrain Control Module (ECM/PCM)

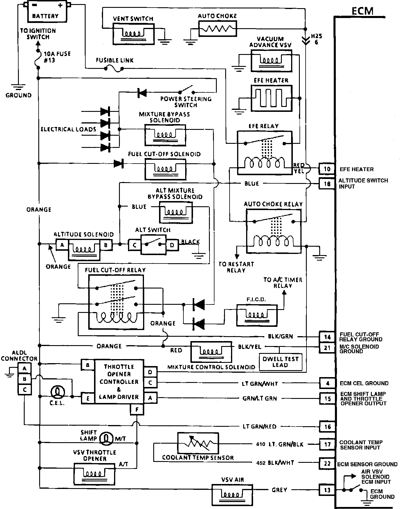
ECM Wiring Diagram (1 of 2):








10 = EFE HEATER
18 = ALTITUDE SWITCH
14 = FUEL CUT-OFF RELAY GROUND
21 = M/C SOLENOID GROUND
4 = ECM CEL GROUND
15 = ECM SHIFT LAMP AND THROTTLE OPENER OUTPUT
17 = COOLANT TEMPERATURE SENSOR INPUT
22 = ECM SENSOR GROUND
13 = AIR VSV SOLENOID ECM INPUT



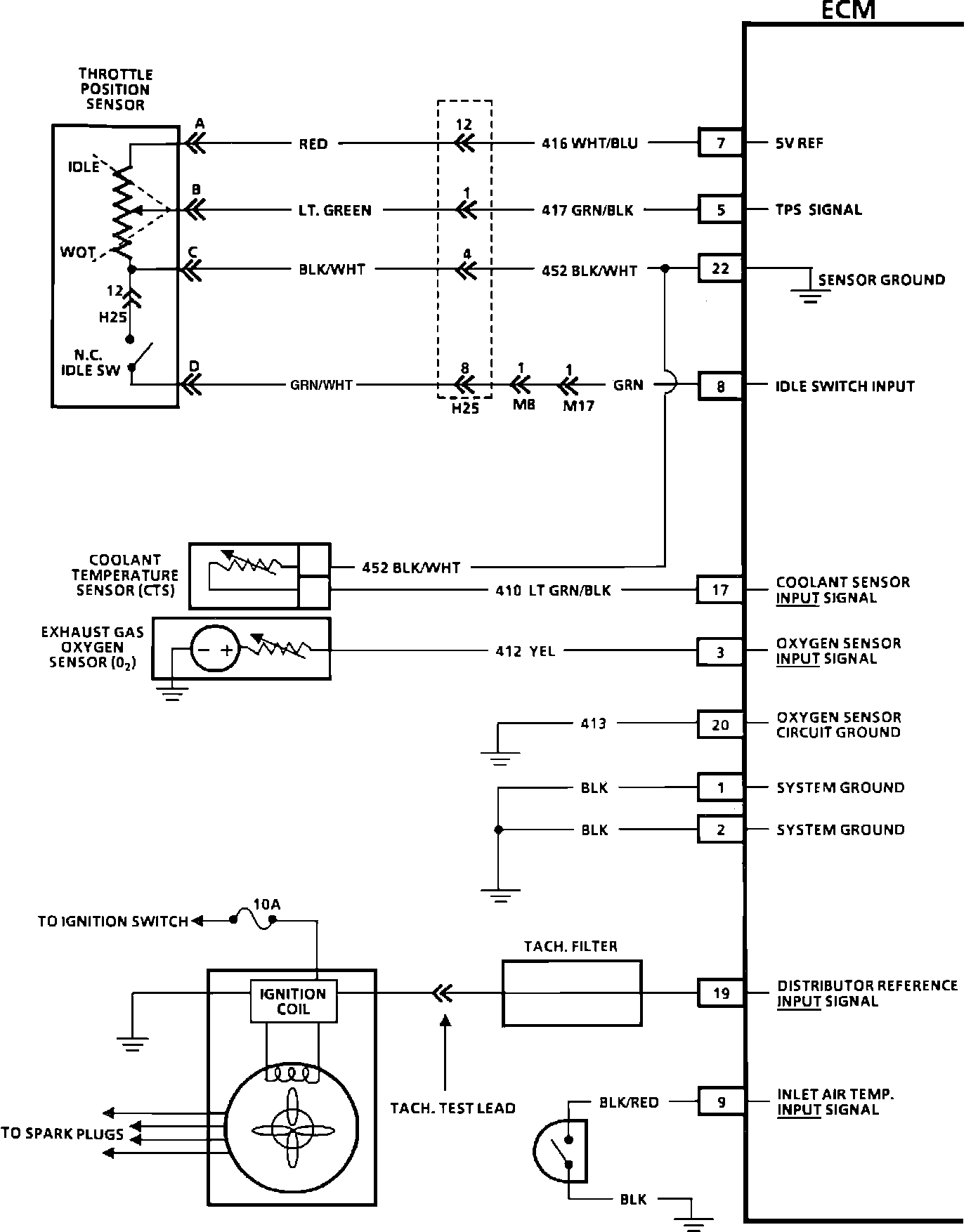
ECM Wiring Diagram (2 of 2):








7 = 5V REFERENCE
5 = TPS SIGNAL
22 = SENSOR GROUND
8 = IDLE SWITCH INPUT
17 = COOLANT SENSOR INPUT SIGNAL
3 = OXYGEN SENSOR INPUT SIGNAL
20 = OXYGEN SENSOR CIRCUIT GROUND
1 = SYSTEM GROUND
2 = SYSTEM GROUND
19 = DISTRIBUTOR REFERENCE INPUT SIGNAL
9 = INLET AIR TEMPERATURE INPUT SIGNAL