lemon-mirror:
Home >> Geo >> 1989 >> Metro L3-61 1.0L >> Repair and Diagnosis >> Heating and Air Conditioning >> Compressor HVAC >> Service and Repair >> Major Compressor Repair Procedures

Major Compressor Repair Procedures

Disassembly





1. Remove oil felt.
Using a screw driver, pry out the oil felt.





2. Using a hammer and punch, drive the key from the shaft.





3. Using snap ring pliers, remove the snap ring.





4. Apply compressor oil to inner bore.





5. Using seal plate remove J 9393-A remove the seal plate.





6. Using shaft seal remove J 34879 remove the shaft seal.
A. Shaft seal remover J 34879
1. Push
2. Turn
3. Remove





7. Remove two service valves (suction and discharge valves).
Remove the O-rings from the service valve and discard them.





8. Drain oil into container.





9. Remove front housing.

NOTICE Do not reuse five washers.





10. Remove the front housing by prying at protrusion.

NOTICE
Be careful not to scratch the sealing surface of the front housing.





11. Remove front valve plate.
Remove two pins from the cylinder block.





12. Remove the rear housing by prying at protrusion.

NOTICE
Be careful not to scratch the sealing surface of the rear housing.





13. Remove rear valve plate.
Remove two pins from the rear housing.





14. Remove front and rear O-rings from the cylinder block. Discard the O-rings.

Assembly

NOTICE
^ Do not reuse gasket shift seal, O-rings, washers. Use overhaul gasket kit.
^ Before starting the assembly, make sure all parts and work-bench are clean.





1. Install rear valve plate on rear cylinder.
a. Install two pins in the rear cylinder.
b. Lubricate new O-ring with compressor oil. Install the O-ring in the rear cylinder.
c. Install the suction need valve, rear valve plate, and discharge reed valve on to rear cylinder top. For the installation locations, refer to the drawing.

NOTICE
Front and rear reed valves (suction and discharge) are the same.
Rear valve plate is marked "R".





d. Lubricate gasket with compressor oil. Install the gasket on the valve plate.





NOTICE
Gaskets must be assembled so that the protruded surfaces face upward.





2. Install rear housing on rear cylinder.
The housing protrusion is positioned at the top side.





3. Install front valve plate on front cylinder.
a. Install two pins in the front cylinder
b. Lubricate new O-ring with compressor oil. Install the O-ring in the front cylinder.
c. Install the suction reed valve, front valve plate, and discharge reed valve onto front cylinder top. For the installation locations, refer to the drawing.

NOTICE
^ Front and rear reed valves (suction and discharge) are the same.
^ Front valve plate is marked.





d. Lubricate gasket with compressor oil. Install the gasket on the valve plate.

NOTICE
^ Front and rear gaskets are different so do not interchange them. To differentiate them, refer to the clause on rear valve plate.)
^ Assemble the gaskets such that their protruded surfaces face upward.

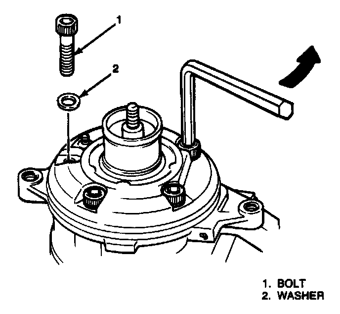
4. Install front housing on front cylinder and tighten five through bolts.
a. Using a torque wrench and hexagon wrench, gradually tighten five through bolts.

Tightening torque
26 N.m (19 lb. ft.)





NOTICE
The housing protrusion should be positioned at the top side.





5. Install shaft seal.
a. Lubricate the shaft seal with compressor oil and fit it to shaft seal remover J 34879.





b. Apply oil to the bore.
Insert shaft seal remover and turn it to the left while lightly pressing.
Then pull up shaft seal remover.





6. Install seal plate.
a. Lubricate the O-ring with compressor oil. Put the seal plate.
b. Press seal plate with socket by hand.





7. Install snap ring.





8. Install key in shaft groove.
a. Using a plastic hammer and key installing tool J 34880 tip the key lightly.





9. Install oil felt.
a. Put the new oil felt inside the bore.





10. Pour compressor oil into compressor.

Compressor Oil Capacity

Compressor oil capacity
(When compressor is overhauled and reassembled) 40 cc (2.4 cu. in.)

Oil capacity of air conditioning system 80 ± 20 cc (4.9 ± 0.1 cu. in.)

NOTICE:
1. Approximately 40cc (2.4 cu.in.) of compressor oil remains in the A/C system (evaporator, condenser, receiver/dryer, hoses and pipes), after compressor overhaul.

2. When replacing the compressor with a new one, drain 40 cc (2.4 cu. in.) of compressor oil from the new compressor, because it contains approximately 80 cc (2.8 cu. in.) of compressor oil.





11. Install service valves.
a. Lubricate new O-rings with compressor oil. Install the O-rings in the service valves.
b. Install the service valve on the compressor.

Tightening torque
26 N.m (19 lb. ft.)

NOTICE
Suction port has larger internal opening than discharge port.





12. Check shaft rotating torque.

Starting torque
less than 30 kg-cm (2.2 lb. ft.)