lemon-mirror:
Home >> GMC >> 2013 >> Terrain FWD L4-2.4L >> Repair and Diagnosis >> Specifications >> Mechanical Specifications >> Engine >> Timing Cover

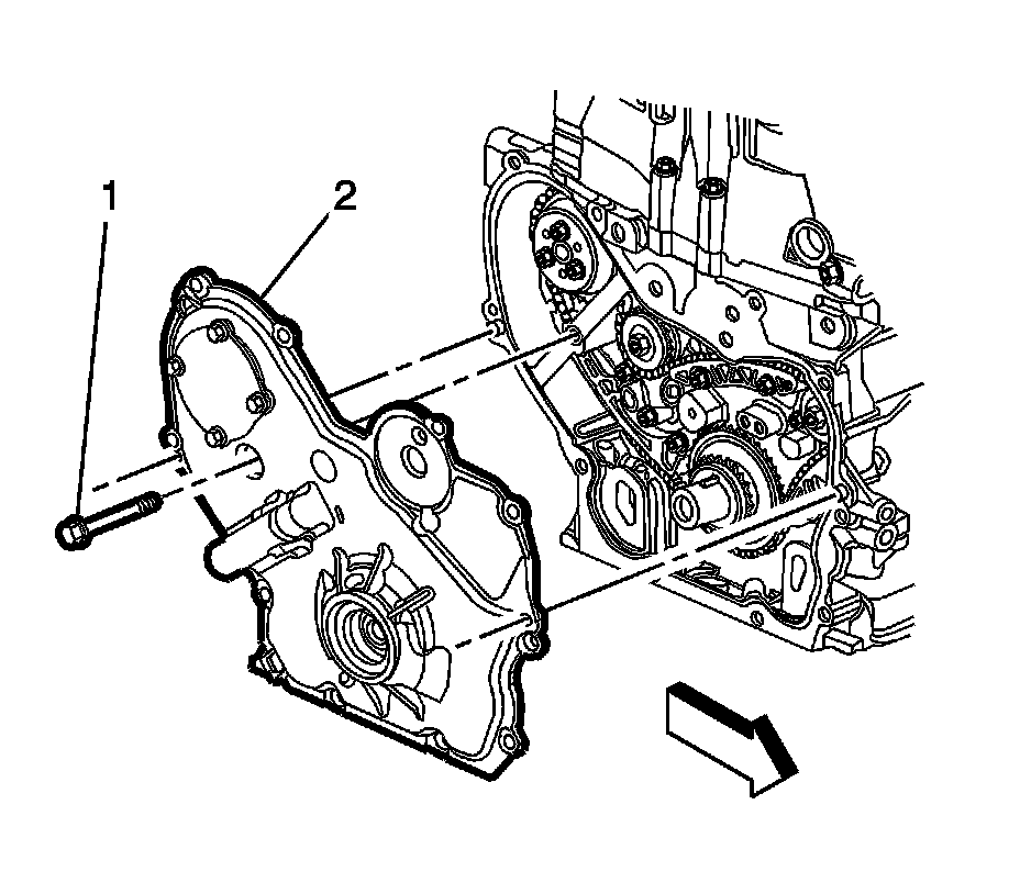
Timing Cover










Install the engine front cover bolts (1) and tighten to 25 Nm (18 lb ft).





Install the engine front cover to water pump bolt (1) and tighten to 25 Nm (18 lb ft).