lemon-mirror:
Home >> GMC >> 2012 >> Terrain AWD L4-2.4L >> Repair and Diagnosis >> Body and Frame >> Locks >> Keyless Entry >> Keyless Entry Receiver >> Locations

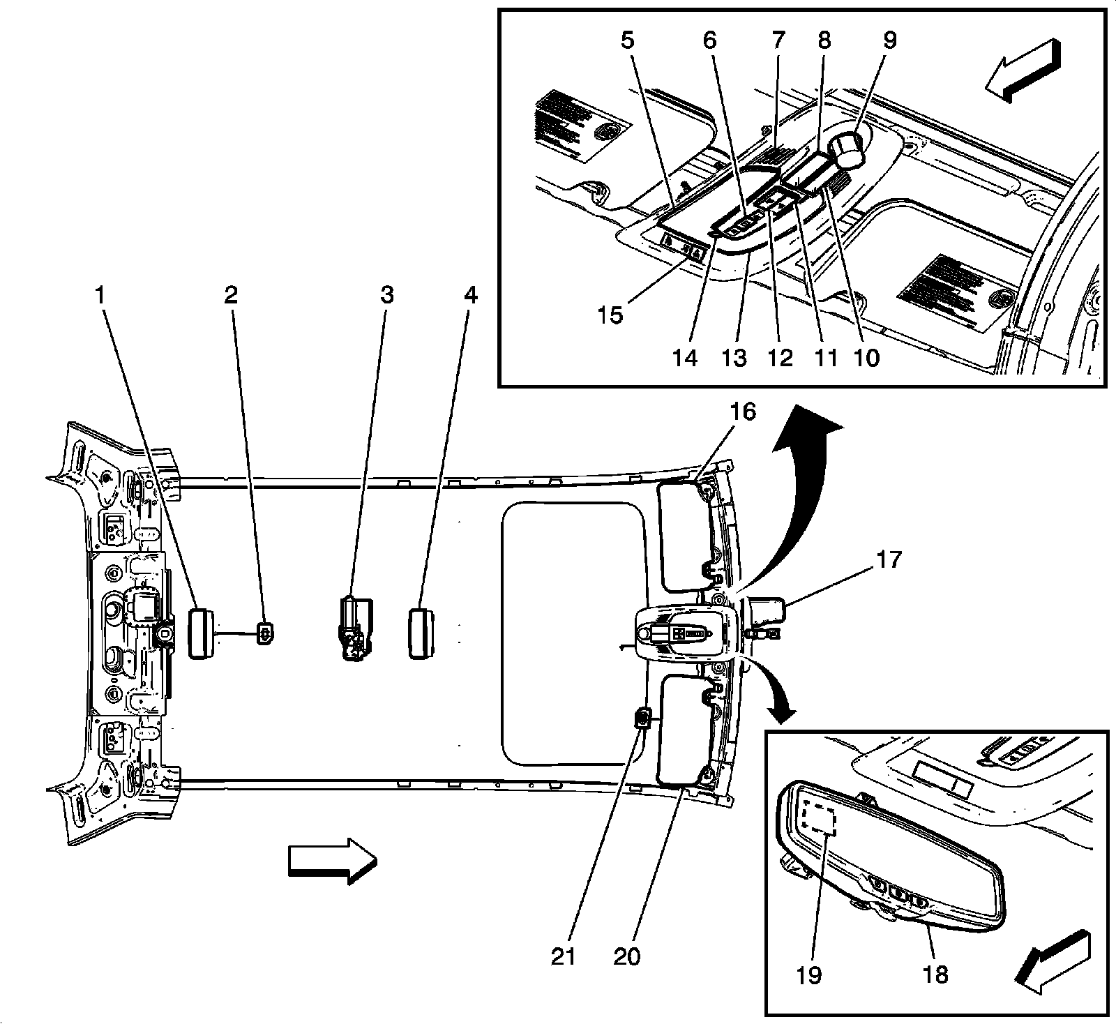
Keyless Entry Receiver: Locations




Passenger Compartment/Roof Component Views

Headliner Components





1 - E37R Dome/Reading Lamps - Rear

2 - B77R Radio Volume Compensator Interior Noise Microphone - Rear (VQN)

3 - M69 Sunroof Motor (CF5)

4 - E37M Dome/Reading Lamps - Middle

5 - E37EL Dome/Reading Lamps - Front Overhead Console Left

6 - S12 Dome Lamp Switch

7 - B24 Cellular Phone Microphone (UE1)

8 - S72 Sunroof Switch (CF5)

9 - S45B Liftgate Control Switch - Interior (TB5)

10 - S88 Sunroof Tilt Switch (CF5)

11 - S17RF Dome/Reading Lamps Switch - Front Overhead Console Right

12 - S17LF Dome/Reading Lamps Switch - Front Overhead Console Left

13 - E37ER Dome/Reading Lamps - Front Overhead Console Right

14 - E1L Accent Lamp - Overhead Console (LT, LTZ, SLE2, or SLT)

15 - P14 Passenger Air Bag Disable Indicator

16 - A3R Sunshade - Right

17 - K77 Remote Control Door Lock Receiver

18 - A10 Inside Rearview Mirror

19 - P7 Display (UVC without UYS or PCJ)

20 - A3L Sunshade - Left

21 - B77F Radio Volume Compensator Interior Noise Microphone - Front (VQN)