lemon-mirror:
Home >> GMC >> 2012 >> Canyon 2WD L4-2.9L >> Repair and Diagnosis >> Powertrain Management >> Computers and Control Systems >> Engine Control Module >> Locations >> Component Locations >> Engine Control Module (ECM)

Engine Control Module (ECM)




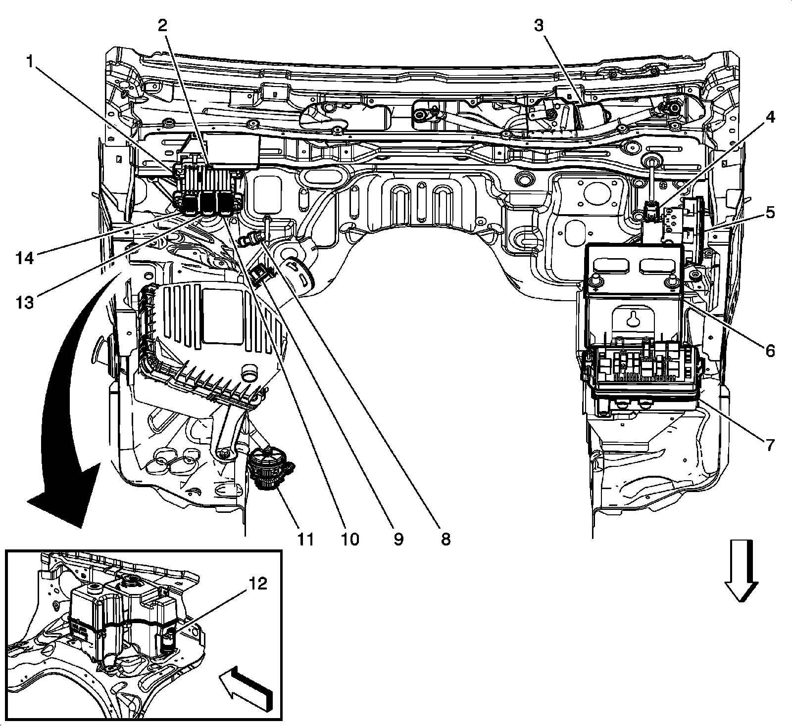
Front of Vehicle/Engine Compartment Component Views

Engine Compartment Components




1 - Engine Control Module (ECM)
2 - Transmission Control Module (TCM)
3 - Windshield Wiper Motor
4 - Windshield Wiper Motor Connector
5 - Electronic Brake Control Module (EBCM)
6 - Battery
7 - Fuse Block - Underhood
8 - A/C Refrigerant Pressure Sensor
9 - Mass Air Flow (MAF) and Intake Air Temperature (IAT) Sensor
10 - Engine Control Module (ECM) X3
11 - Secondary Air Injection (AIR) Pump (K18)
12 - Windshield Washer Fluid Pump
13 - Engine Control Module (ECM) X2
14 - Engine Control Module (ECM) X1