lemon-mirror:
Home >> GMC >> 2009 >> Yukon 2WD V8-5.3L >> Repair and Diagnosis >> Diagrams >> Components >> Front of Vehicle/Engine Compartment Component Views

Front of Vehicle/Engine Compartment Component Views




Front of Vehicle/Engine Compartment Component Views

Front Fascia Components (X88)




1 - Headlamp -Left High Beam
2 - Headlamp -Left Low Beam
3 - Marker Lamp -Left Front
4 - Park/Turn Signal Lamp -Left
5 - Daytime Running Lamp (DRL) -Left
6 - Fog Lamp -Left Front (T96)
7 - Daytime Running Lamp (DRL) -Right
8 - Park/Turn Signal Lamp -Right
9 - Fog Lamp -Right Front (T96)
10 - Marker Lamp -Right Front
11 - Headlamp -Right Low Beam
12 - Headlamp -Right High Beam

Front Fascia Components (Z88 with Y91)




1 - Park/Turn Signal Lamp -Left (Z88/Y91)
2 - Marker Lamp -Left Front
3 - Headlamp -Left
4 - Fog Lamp -Left Front (T96)
5 - Park/Turn Signal Lamp -Right (Z88/Y91)
6 - Headlamp -Right
7 - Fog Lamp -Right Front (T96)
8 - Marker Lamp -Right Front

Forward Lighting (Y91 or Z75)




1 - Park Lamp -Left Front (Z75)
2 - Repeater Lamp -Left Front (TR2)
3 - Marker Lamp -Left Front
4 - Daytime Running Lamp (DRL) -Left
5 - Headlamp -Left
6 - Turn Signal Lamp -Left Front
7 - Fog Lamp -Left Front (T96)
8 - Fog Lamp -Right Front (T96)
9 - Turn Signal Lamp -Right Front
10 - Marker Lamp -Right Front
11 - Repeater Lamp -Right Front (TR2)
12 - Headlamp -Right
13 - Daytime Running Lamp (DRL) -Right
14 - Park Lamp -Right Front (Z75)

Under Front Engine Compartment




1 - Engine Control Module (ECM)
2 - Engine Cooling Fan -Left
3 - Engine Cooling Fan -Right
4 - Inflatable Restraint Front Sensor -Right
5 - Inflatable Restraint Front Sensor -Left
6 - Transmission Control Module (TCM) (M30)
7 - Automatic Level Control (ALC) Relay (Z55)

Behind the Front Grille Components




1 - Hood Ajar Switch (AP3 or AP8)
2 - Ambient Air Temperature Sensor -HVAC (CJ2)
3 - Rear Window Washer Fluid Pump (E52)
4 - Windshield Washer Fluid Level Switch
5 - Windshield Washer Fluid Pump
6 - Horn -Left
7 - Ambient Air Temperature Sensor -HVAC (CJ2)
8 - Horn -Right

Hybrid Control Electronic Component Views




1 - Drive Motor Generator Control Module Assembly
2 - Accessory DC Power Control Module
3 - Drive Motor Generator Power Inverter Module
4 - Hybrid Powertrain Control Module (HPCM)
5 - Motor Control Module (MCM) 1, Motor Control Module (MCM) 2
6 - Sight Shield Circuit Breaker
7 - Drive Motor Generator Power Inverter Module 3 Phase Cable Assembly
8 - Drive Motor Battery 300 Volt Positive and Negative Cable Assembly
9 - Drive Motor with Generator Assembly -1st Position
10 - Drive Motor with Generator Assembly -2nd Position
11 - Drive Motor Generator Battery
12 - Drive Motor Generator Battery Control Module
13 - Drive Motor Battery Cable Terminal Extension Cover
14 - Transmission Power Inverter Module (3 Phase) Cable Cover
15 - Automatic Transmission Auxiliary Fluid Pump Control Module
16 - Automatic Transmission Auxiliary Fluid Pump Assembly
17 - A/C Compressor

High Voltage Ring Terminal Locator




1 - Air Conditioner Compressor 300 V B-
2 - Air Conditioner Compressor 300 V B+
3 - Motor 2 Phase U
4 - Motor 2 Phase W
5 - Motor 2 Phase V
6 - Motor 1 Phase U
7 - Motor 1 Phase W
8 - Motor 1 Phase V
9 - Drive Motor Generator Battery 300 V B-
10 - Drive Motor Generator Battery 300 V B+

Left Side of Engine Compartment Components




1 - Windshield Wiper Motor
2 - Power Brake Booster (JD9)
3 - Windshield Washer Solvent Heater (XA7)
4 - Fuse Block -Underhood
5 - Engine Control Module (ECM)
6 - Transmission Control Module (TCM) (M30)
7 - Brake Booster Vacuum Sensor
8 - Brake Fluid Level Switch

Brake Master Cylinder Piston Position Sensor (HP2)




1 - Brake Master Cylinder Piston Position Sensor

Front of Engine Compartment Components (HP2)




1 - Engine Cooling Fan Resistor -Left
2 - Engine Cooling Fan Resistor -Right
3 - Generator Control Module Temperature Sensor
4 - A/C Low Pressure Sensor
5 - Inflatable Restraint Front End Sensor -Right
6 - High Voltage Circuit Impact Detection Sensor
7 - Inflatable Restraint Front End Sensor -Left
8 - Heater Coolant Pump
9 - Generator Control Module Coolant Pump -Right
10 - Generator Control Module Coolant Pump -Left

Engine Compartment




1 - A/C Refrigerant Pressure Sensor (Except HP2)
2 - A/C Refrigerant Pressure Sensor (HP2)
3 - Mass Air Flow (MAF)/Intake Air Temperature (IAT) Sensor
4 - Battery (Except HP2)
5 - A/C Low Pressure Switch (except HP2)
6 - Battery (HP2)

Engine Compartment - Right Hand Side (HP2)




1 - Drive Motor Generator Power Inverter Module Cover
2 - Electronic Power Steering Motor Control Module
3 - A/C Compressor
4 - Heater Coolant Pump
5 - Accessory DC Power Control Module
6 - Drive Motor Generator Power Inverter Module

Engine Compartment - Left Front (HP2)




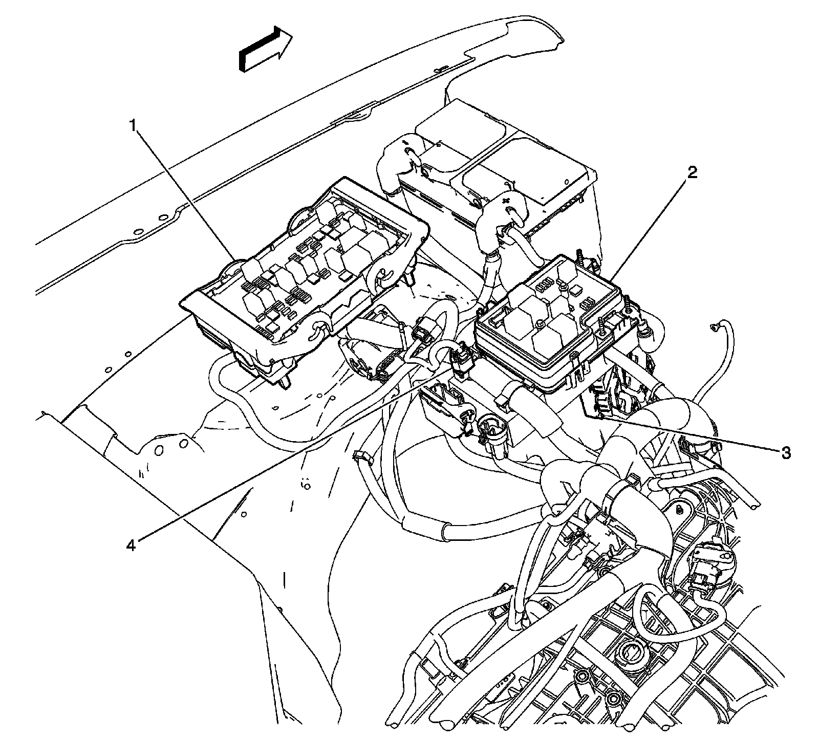
1 - Fuse Block - Underhood
2 - Fuse Block - Auxiliary (HP2)
3 - Engine Control Module (ECM) (HP2)
4 - Battery Current Sensor (HP2)