lemon-mirror:
Home >> GMC >> 2009 >> Yukon 2WD V8-4.8L >> Repair and Diagnosis >> Diagrams >> Components >> Powertrain Component Views

Powertrain Component Views




Powertrain Component Views

Top of the Engine Components (LY6 Gas Only)




1 - Fuel Injector 6
2 - Ignition Coil 8
3 - Fuel Injector 8
4 - Fuel Injector 7
5 - Ignition Coil 7
6 - Fuel Injector 5
7 - Ignition Coil 5
8 - Ignition Coil 3
9 - Fuel Injector 3
10 - Ignition Coil 1
11 - Fuel Injector 1
12 - Manifold Absolute Pressure (MAP) Sensor
13 - Fuel Injector 2
14 - Ignition Coil 2
15 - Ignition Coil 4
16 - Fuel Injector 4
17 - Ignition Coil 6

Engine - Left Side (LY6)




1 - Throttle Body
2 - Manifold Absolute Pressure (MAP) Sensor
3 - Evaporative Emissions (EVAP) Canister Purge Solenoid Valve
4 - Ignition Coil 1
5 - Ignition Coil 3
6 - Ignition Coil 5
7 - Ignition Coil 7
8 - Engine Block Heater Connector (K05)
9 - Knock Sensor (KS) - 1 (Gas)
10 - Engine Coolant Temperature (ECT) Sensor
11 - A/C Compressor Clutch
12 - Camshaft Position (CMP) Sensor
13 - Generator

Engine - Right Side (LY6 Gas Only)




1 - Ignition Coil 8 (4.8L/5.3L/6.0L/6.3L)
2 - Ignition Coil 6 (4.8L/5.3L/6.0L/6.3L)
3 - Ignition Coil 4 (4.8L/5.3L/6.0L/6.3L)
4 - Ignition Coil 2 (4.8L/5.3L/6.0L/6.3L)
5 - PCV Valve
6 - Knock Sensor (KS) - 2 (Gas)
7 - Starter
8 - Engine Oil Level Switch (4.8L/5.3L/6.0L/6.2L)
9 - Starter Solenoid
10 - Engine Oil Pressure (EOP) Sensor (Gas)

Engine - Top View (LFA + HP2)




1 - Fuel Injector 7
2 - Fuel Injector 5
3 - Fuel Injector 3
4 - Fuel Injector 1
5 - Fuel Injector 2
6 - Fuel Injector 4
7 - Fuel Injector 6
8 - Fuel Injector 8

Top of the Engine (LFA + HP2)




1 - Throttle Body
2 - Camshaft Position (CMP) Sensor

Engine - Left Rear (LFA + HP2)




1 - Engine Block Heater Connector
2 - Engine Coolant Temperature (ECT) Sensor
3 - Ignition Coil 1
4 - Evaporative Emissions (EVAP) Canister Purge Solenoid Valve
5 - Manifold Absolute Pressure (MAP) Sensor
6 - Ignition Coil 3
7 - Ignition Coil 5
8 - Ignition Coil 7
9 - Engine Oil Pressure (EOP) Sensor
10 - Valve Lifter Oil Manifold (VLOM) Assembly (DOD)
11 - Knock Sensor 1

Engine - Right Rear (LFA + HP2)




1 - Ignition Coil 2
2 - Ignition Coil 8
3 - Ignition Coil 6
4 - Ignition Coil 4
5 - Knock Sensor 2
6 - Crankshaft Position (CKP) Sensor

In Front of Transmission (HP2)




1 - Automatic Transmission
2 - Automatic Transmission Auxiliary Fluid Pump (HP2)

Transmission and Transfer Case Components (HP2)




1 - Vehicle Speed Sensor (VSS) (without NQH)
2 - Vehicle Speed Sensor (VSS) (NQH)
3 - Transfer Case Encoder Motor (NQH)
4 - Transfer Case 2/4 Wheel Drive Actuator Position Sensor (NQH)
5 - Transmission Power Inverter Module (3 Phase) Cable Cover

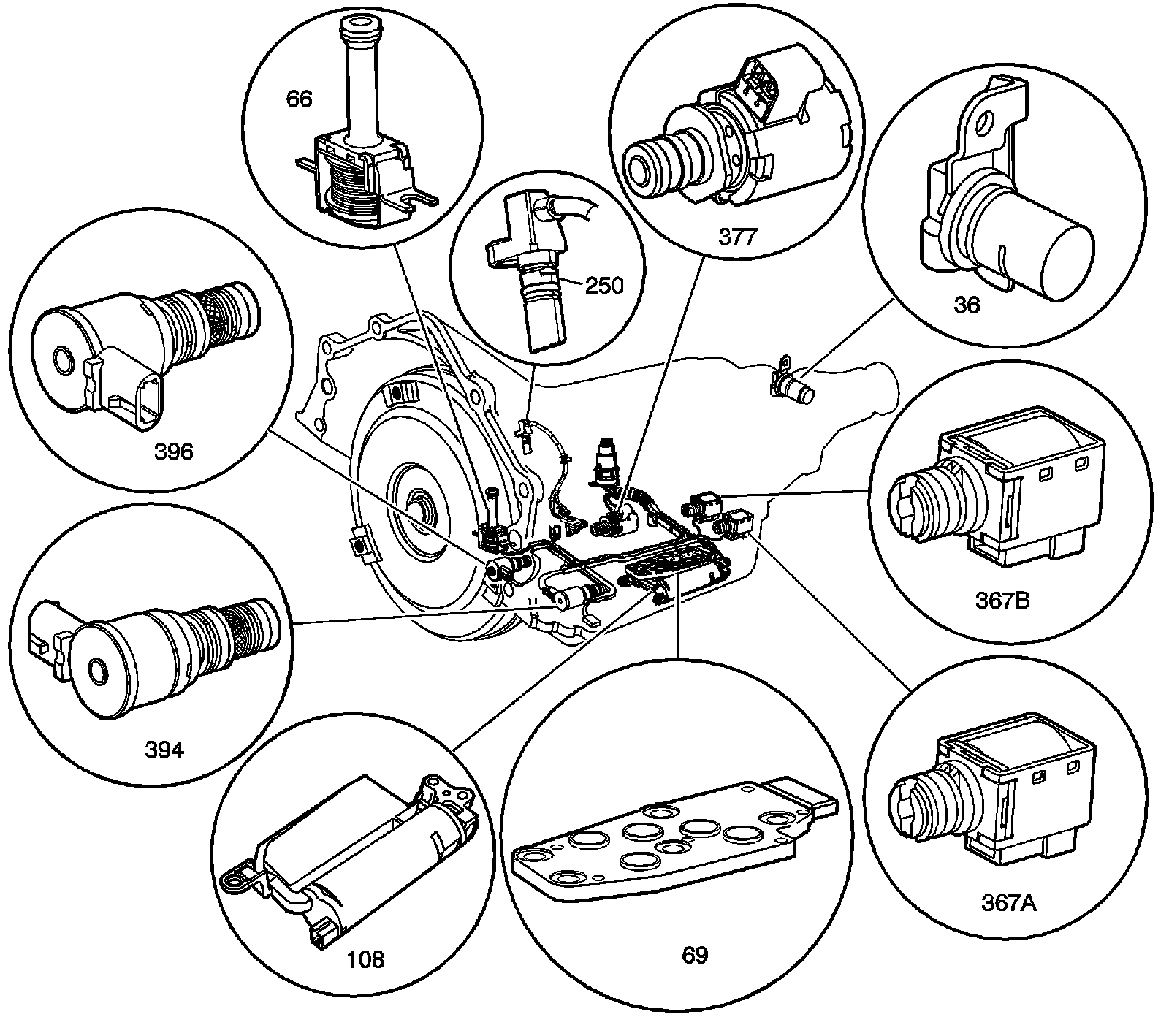
Inside the Transmission Components (M30 or M70)

Electronic Components:




36 - Vehicle Speed Sensor (VSS)
66 - Torque Converter Clutch (TCC) Solenoid Valve
69 - Automatic Transmission Fluid Pressure Manual Valve Position Switch
250 - Input Speed Sensor (ISS)
367a - 1-2 Shift Solenoid (SS) Valve
367b - 2-3 Shift Solenoid (SS) Valve
377 - Pressure Control (PC) Solenoid Valve
394 - 3-2 Shift Solenoid (SS) Valve
396 - Torque Converter Clutch (TCC) Pulse Width Modulation (PWM) Solenoid Valve

Inside the Transmission Components (MYC or MYD)

Electronic Components:




1 - Control Solenoid Valve Assembly
2 - Input Speed Sensor (ISS)/Output Speed Sensor (OSS)
3 - Automatic Transmission Internal Mode Switch (IMS)