lemon-mirror:
Home >> GMC >> 2009 >> Yukon 2WD V8-4.8L >> Repair and Diagnosis >> Body and Frame >> Body Control Systems >> Body Control Module >> Service and Repair >> Body Control Module Replacement

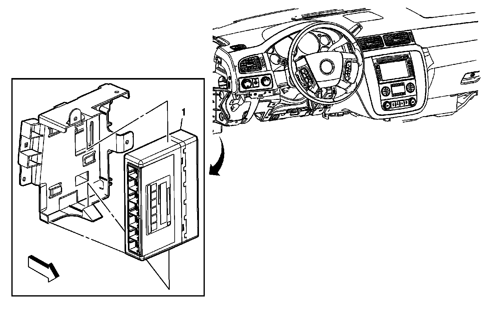
Body Control Module Replacement




Body Control Module Replacement