lemon-mirror:
Home >> GMC >> 2009 >> Envoy 2WD L6-4.2L >> Repair and Diagnosis >> Heating and Air Conditioning >> Control Module HVAC >> Service and Repair >> HVAC - Manual >> HVAC Control Module Replacement

HVAC Control Module Replacement




HVAC Control Module Replacement

Removal Procedure




1. Remove the I/P accessory trim plate. Refer to Instrument Panel Accessory Trim Plate Replacement (GMC) (Service and Repair) or Instrument Panel Cluster Trim Plate Bezel Replacement (Chevrolet) (Service and Repair)Instrument Panel Cluster Trim Plate Bezel Replacement (GMC) (Service and Repair).
2. Remove the control module retaining screws.
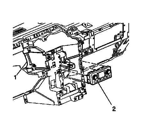
3. Depress the HVAC control module retaining tabs (3) and remove the HVAC control module (2) from the instrument panel (4).
4. Disconnect the electrical connectors (1) from the HVAC control module (2).

Installation Procedure

Note: The key should be in the OFF position when connecting the electrical connectors to ensure proper calibration.




1. Connect the electrical connectors to the HVAC control module (2).




2. Install the HVAC control module (2) to the instrument panel (4), ensuring that the HVAC control module retaining tabs (3) lock into place.

Caution: Refer to Fastener Caution (Fastener Caution).

3. Install the HVAC control module retaining screws.

Tighten the screws to 1.9 Nm (17 lb ft).

4. Install the I/P accessory trim plate. Refer to Instrument Panel Accessory Trim Plate Replacement (GMC) (Service and Repair) or Instrument Panel Cluster Trim Plate Bezel Replacement (Chevrolet) (Service and Repair)Instrument Panel Cluster Trim Plate Bezel Replacement (GMC) (Service and Repair).

Note: Do not adjust any controls on the HVAC control module while the HVAC control module is calibrating.

If interrupted, improper HVAC performance will result.

5. Start the engine and let run for 1 minute.