lemon-mirror:
Home >> GMC >> 2009 >> Canyon 2WD V8-5.3L >> Repair and Diagnosis >> Powertrain Management >> Computers and Control Systems >> Coolant Temperature Sensor/Switch (For Computer) >> Service and Repair

Coolant Temperature Sensor/Switch (For Computer): Service and Repair




Engine Coolant Temperature Sensor Replacement

Removal Procedure

Caution: Use care when handling the coolant sensor. Damage to the coolant sensor will affect the operation of the fuel control system.




1. Drain the cooling system below the level of the ECT sensor. Refer to Cooling System Draining and Filling (Static Fill) (Service and Repair)Cooling System Draining and Filling (Vac N Fill) (Service and Repair).
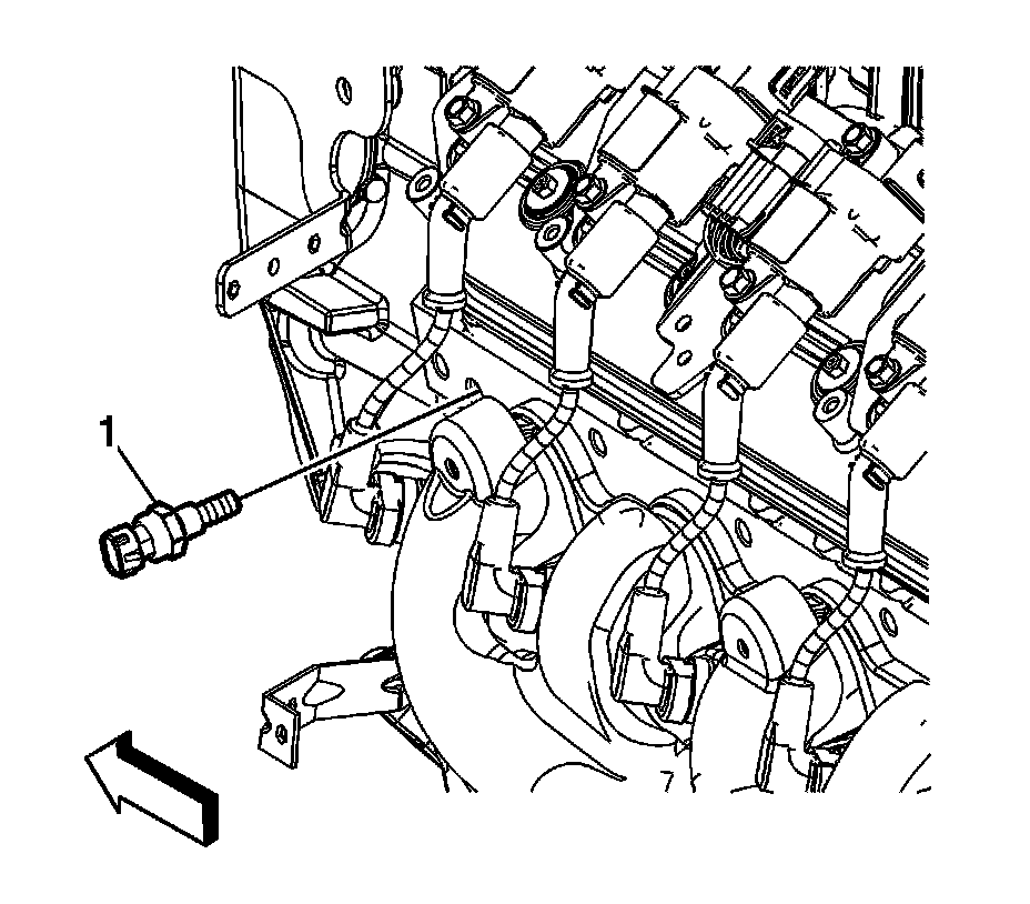
2. Disconnect the engine wiring harness electrical connector (1) from the engine coolant temperature (ECT) sensor.




3. Remove the ECT sensor (1).

Installation Procedure

Caution: Replacement components must be the correct part number for the application. Components requiring the use of the thread locking compound, lubricants, corrosion inhibitors, or sealants are identified in the service procedure. Some replacement components may come with these coatings already applied. Do not use these coatings on components unless specified. These coatings can affect the final torque, which may affect the operation of the component. Use the correct torque specification when installing components in order to avoid damage.

Caution: Use care when handling the coolant sensor. Damage to the coolant sensor will affect the operation of the fuel control system.





Caution: Refer to Fastener Caution (Fastener Caution).

1. Coat the ECT sensor threads with sealer GM P/N 12346004 (Canadian P/N 10953480), or equivalent.
2. Install the ECT sensor (1).

Tighten the sensor to 20 Nm (15 lb ft).




3. Connect the engine wiring harness electrical connector (1) to the ECT sensor.
4. Refill the cooling system as required. Refer to Cooling System Draining and Filling (Static Fill) (Service and Repair)Cooling System Draining and Filling (Vac N Fill) (Service and Repair).