lemon-mirror:
Home >> GMC >> 2008 >> Yukon 2WD V8-5.3L >> Repair and Diagnosis >> Body and Frame >> Body Control Systems >> Body Control Module >> Service and Repair >> Body Control Module Replacement

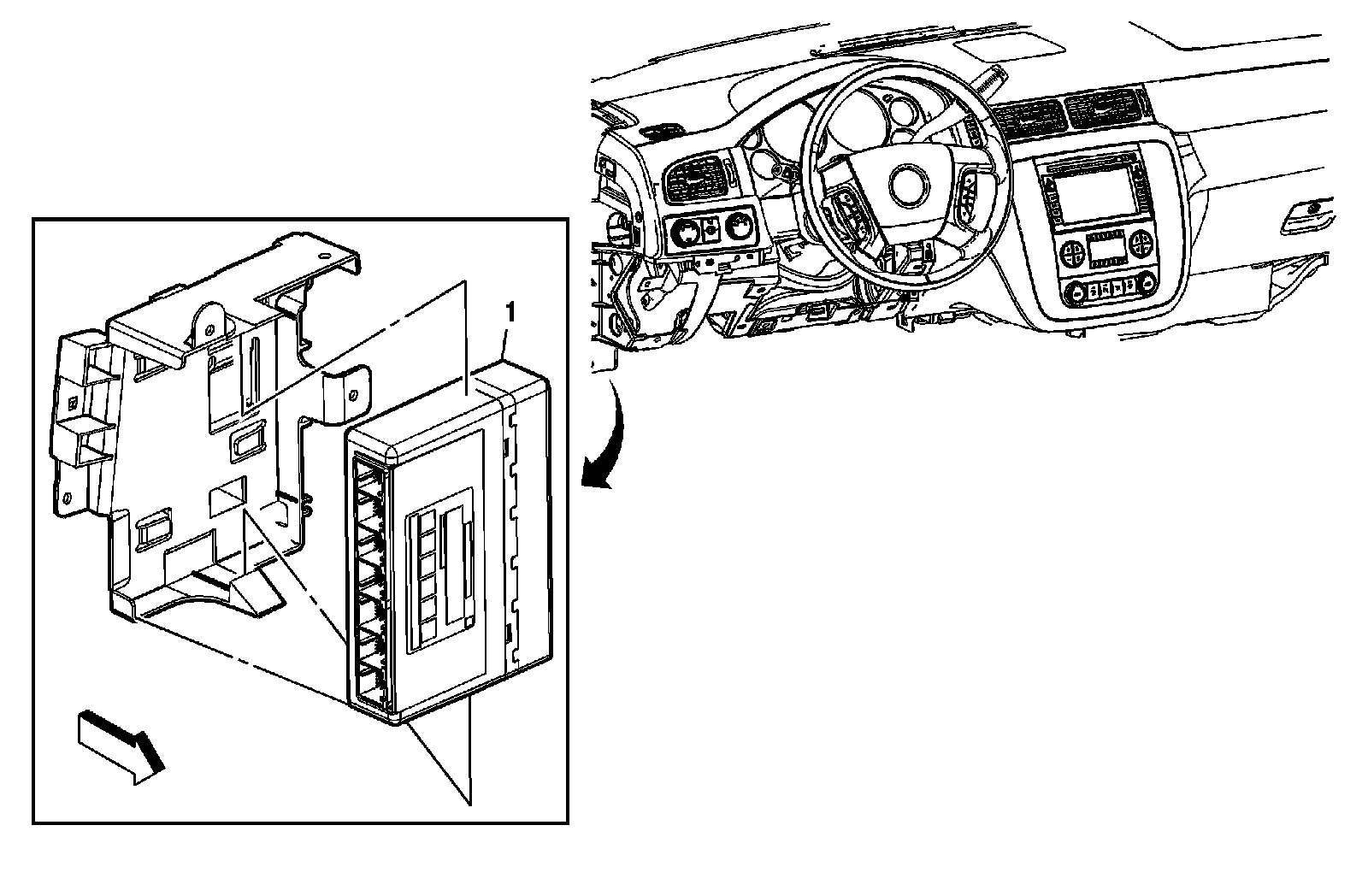
Body Control Module Replacement



Body Control Module Replacement